Augstas jutības tīkla aizsardzība FC-D iezemētai kontaktligzdai

Preces Nr. 5092800 | EAN 4012195035053

5092800 / FC-D
D
Produkta apraksts
Produkta apraksts
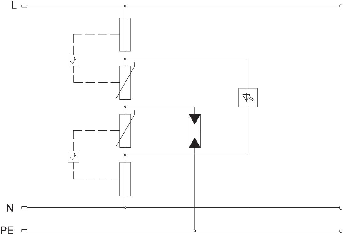
Pārsprieguma aizsargierīce, tips 3 atb. DIN EN 61643-11
izmantošanai pie iezemētām četrvietīgām kontaktligzdām.



• Adaptera spraudnis
• Atdalītājbloks un funkcijas indikācija
• ar paaugstinātu pieskaršanās aizsardzību
  • 5 gadu garantija
  • Eiropas Savienības, EG atbilstības deklarācija saskaņā ar EK direktīvām
  • EurAsian Conformity
  • Aizsargierīce atb. DIN EN 61643-11 vai IEC 61643-11
  • Pāreja no LPZ 2 uz 3
Tehniskie dati

Tehniskie dati

Aizsardzības līmenis [L-N] ≤1,5
Aizsardzības veids IP20
Atbildes laiks <25 ns
Augstākais ilgtermiņa spriegums 275 V
Augstākais ilgtermiņa spriegums AC 275 V
Augstums 75 mm
Drošības līmenis <1,5 kV
Ekspluatācijas temperatūra maks. 75 °C
Ekspluatācijas temperatūra min. -25 °C
Garums 78,3 mm
Ierīces signalizācija optisks
Integrēta aizsardzība pie ieejas
Izmantošanas temperatūras diapazons maks. 75 °C
Izmantošanas temperatūras diapazons min. -25 °C
Izmērs 230V
Izpildījums Aizsargkontakts
Izpūtošs
Krāsa dzidri balts; RAL 9010
LPZ 2→3
Maksimālā aizsardzība pie ieejas 16 A
Maksimālā impulsu strāva novadītājā (8/20 μs) 8 kA
Maksimumstrāvas aizsardzība tīkla pusē 16 A
Montāžas veids Sienas kontaktligzda
Nacionālā versija D
Nominālā noplūdes strāva 3 kA
Nominālā noplūdes strāva (8/20 µs) 3 kA
Nominālā noslogojuma strāva 16 A
Nominālais spriegums 230 V
Nominālais spriegums AC (50/60 Hz) 230 V
OBO_Nominālā noslogojuma strāva (ieejas/izejas spaile) 16 A
Platums 55 mm
SPD atb. EN 61643-11 Tips 3
SPD atb. IEC 61643-1 III klase
Tālvadības signalizācija
Tālvadības signālkontakts
Tipa 2 pārbaudes klase
Tipa 3 pārbaudes klase
Visi tipi

Visi tipi

Tips Nacionālā versija Preces Nr. Daudzums mazākā pārd. vien.
FC-D D 5092800
1 Gabals
Lejupielādes

Lejupielāde

Lejupielāde

ES Atbilstības deklarācija FC-D / 5092800 , 0.12MB , pdf
Lejupielāde
REACH Atbilstības deklarācija FC-D / 5092800 , 0.12MB , pdf
RoHS Atbilstības deklarācija FC-D / 5092800 , 0.13MB , pdf

Lejupielāde
Lejupielāde

Šim produktam nav pieejami preču apraksti