Connectable data cable protection, 2-pole, indirect earthing, with visual signalling, 12 V

Preces Nr. 5080351 | EAN 4012196742226

4
2x2-pole
Spaile
Produkta apraksts
Produkta apraksts
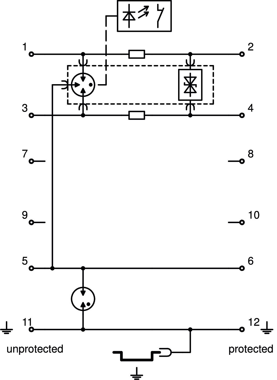
Plug-in data cable protection type 1+2/D1=C2 for the use in measurement, control and regulation technology

• Protective device for multi-wire systems
• Indirect shield earthing
• Frequency range to 100 MHz
• Earthing possible via the DIN rail or the connection cable
• Narrow structural width of 17.5 mm
• Hight level of system availability – no signal disruption without protection module
With visual signalling and the option of remote signalling via the voltage supply PDP-PS
• Integrated bus connector included

Application: Universal lightning and surge protection for data transmission devices in MCR technology.
  • 5 gadu garantija
  • Eiropas Savienības, EG atbilstības deklarācija saskaņā ar EK direktīvām
  • Mērīšanas, vadības un regulēšanas iekārtas
  • Pāreja no LPZ 0 līdz 2
  • Installation electrotechnical expertise
  • CO₂ pēdas nospiedums (PCF)
Tehniskie dati

Tehniskie dati

Aizsardzības līmenis dzīsla–dzīsla 130 V
Aizsardzības līmenis dzīsla–zeme 1600 V
Aizsardzības līmenis ekrāns–zeme (S-PE) 1300 V
Aizsardzības veids IP20
Augstākais ilgtermiņa spriegums AC 12 V
Augstākais ilgtermiņa spriegums DC 16 V
Augstums 95 mm
CO2 pēdas nospiedums (GWP) no šūpuļa līdz vārtiem 0,6488 kg CO2e / 1 Gabals
Ekrāna pieslēgums
Ekranējums netieši
Gareniskā pretestība 1.2 ± 5%
Garums 75 mm
Ieejas / izejas montāža Skrūvējamas spailes
Ierīces signalizācija nav
Ievietotā slāpēšana (Insertion loss) ≤3 dB
Impulsstrāva 2,5 kA
Impulsu strāvas caurlaidība, stieple-stieple 10 kV / 5 kA
Impulsu strāvas caurlaidība, stieple–zeme 10 kV / 5 kA
Izmantošanas temperatūras diapazons maks. 80 °C
Izmantošanas temperatūras diapazons min. -40 °C
Izmērs 12V
Izpildījums 2x2-pole
Kapacitāte (dzīsla-dzīsla) ≤30 pF
Kapacitāte (dzīsla-zemējums) ≤30 pF
Kategorie 1. + 2. tips/D1 + C2
Kopējā impulsu strāva novadītājā (10/350) 2,5 kA
Kopējā impulsu strāva novadītājā (8/20) 20 kA
LPZ 0→2
Nominālā noplūdes strāva (8/20 µs) 10 kA
Nominālā noslogojuma strāva, AC 0,425 A
Nominālā noslogojuma strāva, DC 0,6 A
Nominālā zibensizlādes strāva In aiz C2 (kopā) 20 kA
Pārbaudes standarts IEC 61643-21
Pieslēguma diametrs, elastīgs maks. 1,5 mm²
Pieslēguma diametrs, elastīgs min. 0,14 mm²
Pieslēguma diametrs, vairākdzīslu maks. 2,5 mm²
Pieslēguma diametrs, vairākdzīslu min. 0,14 mm²
Platums 17,5 mm
Polu skaits 4
Robežfrekvence 100 MHz
SPD atb. I + II klase/D1 + C2
SPD atb. EN 61643-11 Tips 1+2
SPD atb. IEC 61643-1 I+II klase
Spraudsistēma Spaile
Stacionārā pieslēguma šķērsgriezums maks. 2,5 mm²
Stacionārā pieslēguma šķērsgriezums min. 0,14 mm²
Virknes pretestība katrai stieplei 1,2 Ω ± 5%
Zemējums ar: Pieslēguma vads / U profila sliede
Visi tipi

Visi tipi

Tips Polu skaits Izpildījums Augstākais ilgtermiņa spriegums AC Augstākais ilgtermiņa spriegums DC Spraudsistēma Preces Nr. Daudzums mazākā pārd. vien.
PDP-2-5-I-OS 4 2x2-pole 4,2 V 6 V Spaile 5080349
1 Gabals
PDP-2-12-I-OS 4 2x2-pole 12 V 16 V Spaile 5080351
1 Gabals
PDP-2-24-I-OS 4 2x2-pole 21 V 30 V Spaile 5080353
1 Gabals
PDP-2-48-I-OS 4 2x2-pole 37 V 52 V Spaile 5080355
1 Gabals
Lejupielādes

Lejupielāde

Lejupielāde

ES Atbilstības deklarācija PDP-2-12-I-OS / 5080351 , 0.11MB , pdf
Lejupielāde

Lejupielāde
Lejupielāde

PDP-2-12-I-OS / 5080351
Lejupielāde