Heavy roof hooks for PV module mounting, tiled roof

Preces Nr. 5901416 | EAN 4012197451165

Produkta apraksts
Produkta apraksts
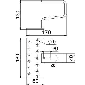
Heavy roof hook to mount photovoltaic modules on pitched roofs in combination with the TP 45 support profile. Suitable for tiled roofs. Fastening on support profile through bolt with hammer nut, type SKSHM A2. Mounting on rafters with TKS wafer-head screws.
  • Eiropas Savienības, EG atbilstības deklarācija saskaņā ar EK direktīvām
  • CO₂ pēdas nospiedums (PCF)
  • Iepakojums bez plastmasas
  • Iepakojums pilnībā no otrreiz pārstrādāta kartona
Tehniskie dati

Tehniskie dati

Ar montāžas plātni
Augsta stiprinājuma plāksne 5 mm
Centrēšana horizontāls
CO2 pēdas nospiedums (GWP) no šūpuļa līdz vārtiem 6,5458 kg CO2e / 1 Gabals
Enkurojums skrūvēt
Gara stiprinājuma plate 180 mm
Izmērs 192x180x130
Jumta caurvads, nepieciešams
Krāsa tērauda
Materiāla biezums 8 mm
Materiāls Nerūsējošais tērauds 1.4301
Piemērots fotoelementu sistēmas stiprinājumam, jumta/fasādes stiprinājums Slīpa jumta stiprinājums
Piemērots jumta materiālam Dakstiņš
Plata stiprinājuma plate 80 mm
Platums 120 mm
Regulējams
Slīpuma leņķis min. 90 °
Virsma beicēta
Visi tipi

Visi tipi

Tips Preces Nr. Daudzums mazākā pārd. vien.
DHS A2 5901416
10 Gabals
Lejupielādes

Lejupielāde

Lejupielāde

Šim produktam nav pieejami preču apraksti