Kabeļa skrūvsavienojums ar kupoluzgriezni, PG vītni, niķelēts

Preces Nr. 2085690 | EAN 4012195448815

Produkta apraksts
Produkta apraksts
Izturīgs kabeļu ievads ar PG savienojuma vītni atb.DIN 40430, ar kupoluzgriežņu konstrukciju, ar lielu blīvējuma laukumu, kā arī nostiepes fiksāciju un aizsardzību pret pārāk stipru pievilkšanu, paredzēts apstākļiem, kuros nepieciešams īpaši labs blīvējums. Poliamīda spailes ieliktnis, hloroprēna-nitrila kaučuka gredzenblīve, ar savienojuma vītnei uzmontētu gredzenblīvi.

Aizsardzības klase IP68 apstākļos ar spiedienu 5 bar/1 h, pārbaudīts atb. DIN EN 62444.

„Normāla” garuma savienojuma vītne, atb.DIN 46320.

* Cenas atb.DEL pierakstam.
  • Eiropas Savienības, EG atbilstības deklarācija saskaņā ar EK direktīvām
  • UKCA atbilstības deklarācija
  • Aizsardzības veids IP 68
  • Vītne Pg
  • CO₂ pēdas nospiedums (PCF)
  • Iepakojums bez plastmasas
  • Iepakojums pilnībā no otrreiz pārstrādāta kartona
Tehniskie dati

Tehniskie dati

Aizsardzība pret lieci
Aizsardzības veids IP68
aizsargāta pret eksploziju
Ar pretuzgriezni
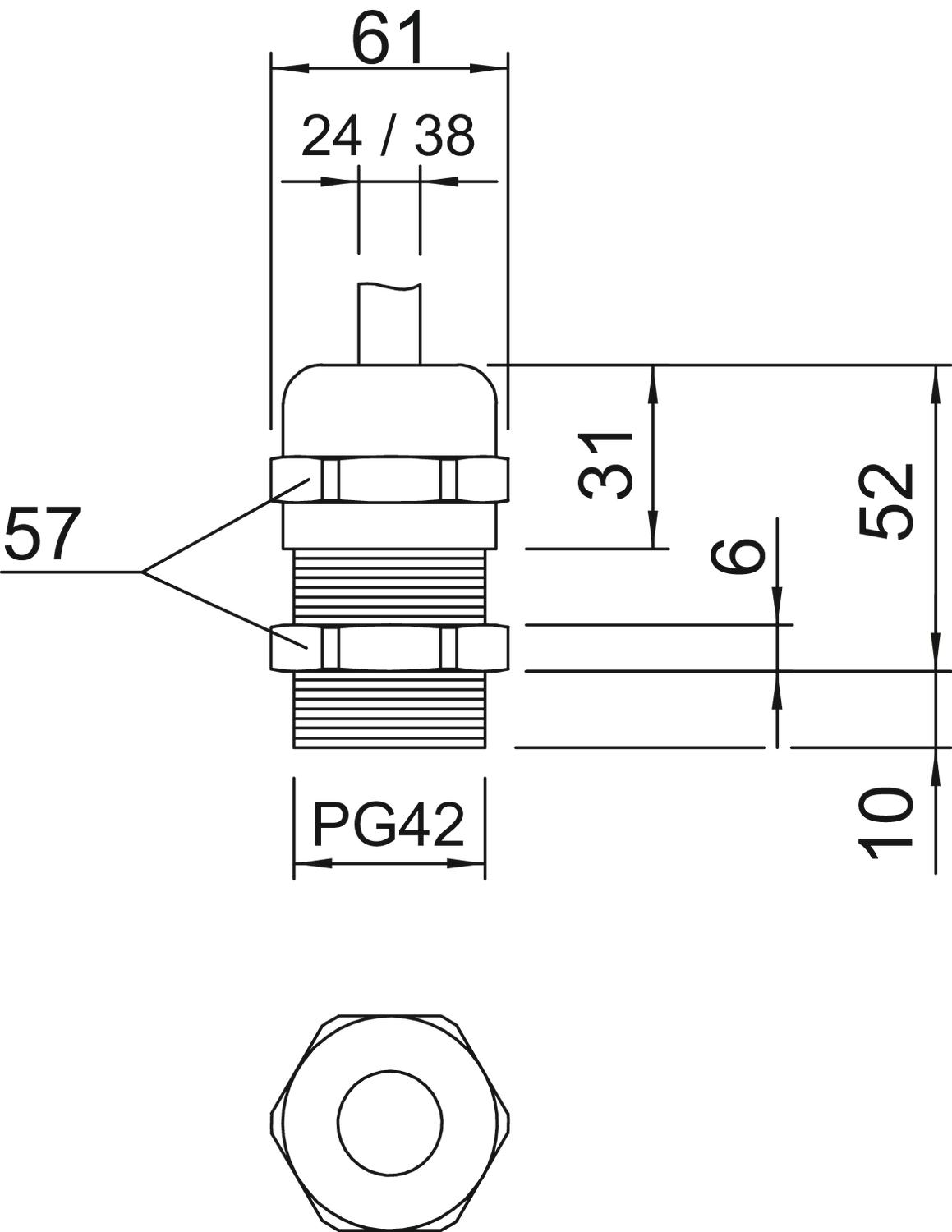
Atslēgas platums 57
Blīvējuma veids Blīvgredzens
Blīvējuma virsma D maks. 38 mm
Blīvējuma virsma D min. 24 mm
CO2 pēdas nospiedums (GWP) no šūpuļa līdz vārtiem 0,8629 kg CO2e / 1 Gabals
Dalāms skrūvsavienojums
Daudzvietīgs blīvēšanas ieliktnis
Iespēja atbrīvot no sprieguma
Izmantošanas temperatūras diapazons maks. 100 °C
Izmantošanas temperatūras diapazons min. -20 °C
Izmērs L, maks. 52 mm
Izmērs PG42
Izmērs e 61 mm
Izmērs L1 10 mm
Izmērs L2 6 mm
Izmērs L3 31 mm
Izpildījums taisns
Materiāls misiņa
Nesatur halogēnus
Plakanvada skrūvsavienojums
sprādzienbīstamai zonai bez
sprādzienbīstamai zonai, gāze bez
sprādzienbīstamai zonai, putekļi bez
Stiegrots ar stikla šķiedru
Triecienizturīgs
Virsma Niķelēts
Vītne Pg 42
Vītnes garums 10 mm
Vītnes iekšējais izmērs 42
Vītnes veids PG
Visi tipi

Visi tipi

Tips Vītne Daudzvietīgs blīvēšanas ieliktnis Preces Nr. Daudzums mazākā pārd. vien.
V-TEC PG7 MS Pg 7 2085607
50 Gabals
V-TEC PG9 MS Pg 9 2085615
50 Gabals
V-TEC PG11 MS Pg 11 2085623
50 Gabals
V-TEC PG13 MS Pg 13,5 2085631
50 Gabals
V-TEC PG16 MS Pg 16 2085658
25 Gabals
V-TEC PG21 MS Pg 21 2085666
25 Gabals
V-TEC PG29 MS Pg 29 2085674
20 Gabals
V-TEC PG36 MS Pg 36 2085682
10 Gabals
V-TEC PG42 MS Pg 42 2085690
5 Gabals
V-TEC PG48 MS Pg 48 2085704
5 Gabals
Piederumi

Montāžas piederumi

Produkti Tips Preces Nr. Daudzums mazākā pārd. vien.
Kontruzgrieznis, PG vītne Kontruzgrieznis, PG vītne 169 MS PG42 2091429
50 Gabals
Lejupielādes

Lejupielāde

ES Atbilstības deklarācija V-TEC PG42 MS / 2085690 , 0.13MB , pdf
Lejupielāde
Apvienotās Karalistes atbilstības deklarācija V-TEC PG42 MS / 2085690 , 0.09MB , pdf

V-TEC PG42 MS / 2085690
Lejupielāde