Kabeļu trepes ar Z spraisli, standarta FT

Preces Nr. 7098133 | EAN 4012196046423

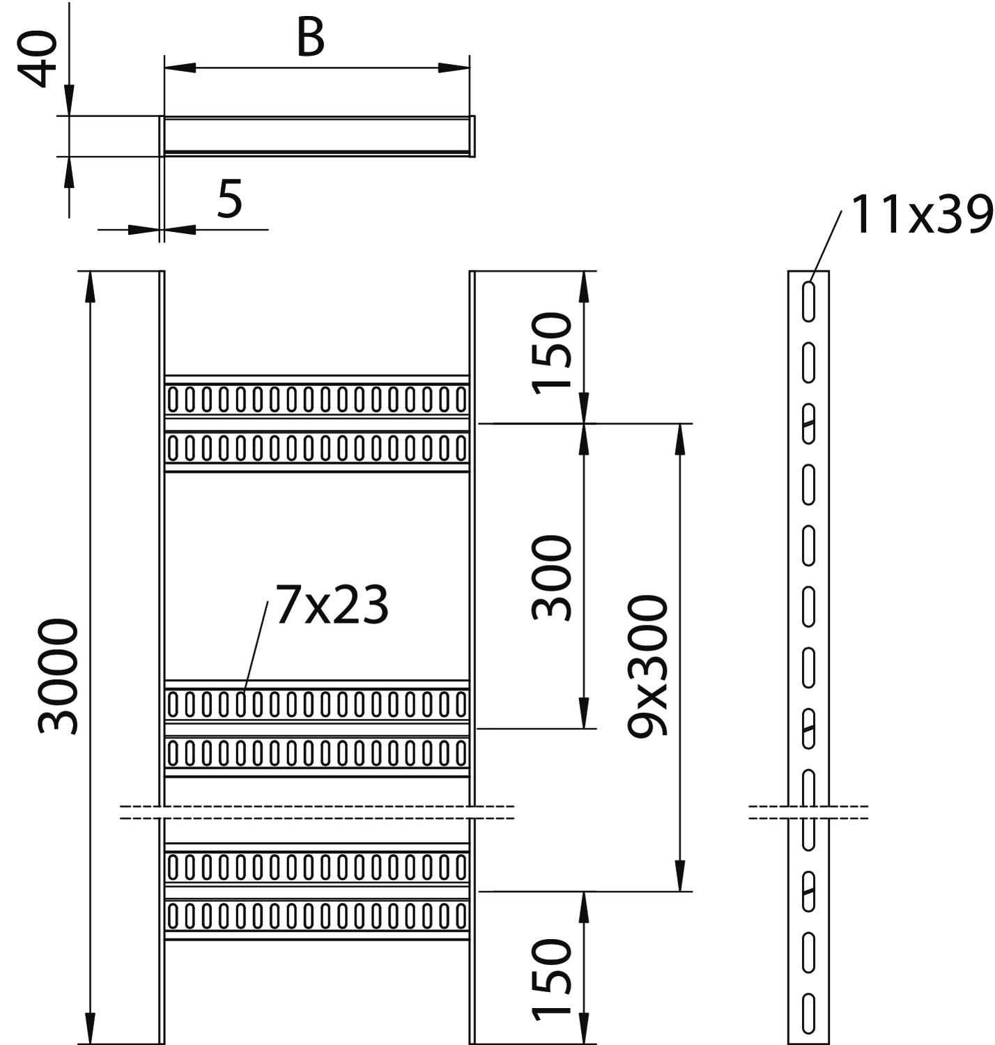
3000 mm
5 mm
Produkta apraksts
Produkta apraksts
Kuģa kabeļu trepes ar caurumotu sānu profilu, malas augstums 40 mm, ar iemetinātiem un perforētiem Z formas spraišļiem. Slodze pārbaudīta saskaņā ar IEC kombinācijā ar SLV tipa savienotāju.


Kuģu būvei paredzētās kabeļu trepes, ietverot fasondetaļas, pēc pieprasījuma var piegādāt arī izgatavotas no nerūsošā tērauda. Iespējams pulvera pārklājums atbilstoši RAL krāsām.

  • RINA 1861, Ship Classification, Certification and Services
  • Germanischer Lloyd
  • Eiropas Savienības, EG atbilstības deklarācija saskaņā ar EK direktīvām
  • CO₂ pēdas nospiedums (PCF)
Tehniskie dati

Tehniskie dati

Attālums starp spraišļiem 300 mm
Augstums 40 mm
Balstu atstatums 1,5 m 2,8 kN/m
Balstu atstatums 2,0 m 1,75 kN/m
Balstu atstatums 2,5 m 1 kN/m
Balstu atstatums 3,0 m 0,6 kN/m
CO2 pēdas nospiedums (GWP) no šūpuļa līdz vārtiem 8,8505 kg CO2e / 1 Metrs
Funkciju nodrošināšana
Gara laiduma izpildījums
Garums 3000 mm
Izmēri 40x150
Izmērs 40x160x3000
Izmērs B 160 mm
Krāsa cinks
Materiāls Tērauds
Metāla biezums 5 mm
Nerūsējošs tērauds, kodināts
Platums 150 mm
Sānu caurumi
Sānu malas konstrukcija plakans profils
Spraišļa stiprinājums metināts
Spraišļu izpildījums Caurumots profils
Virsma karsti cinkots

Tehniskie dati

Slodzes diagramma, kabeļu trepes, tips SLZ

Slodzes diagramma, kabeļu trepes, tips SLZ
  • Pieļaujamais kabeļu renes/trepju noslogojums kN/m nereķinot slodzi instalācijas laikā Pieļaujamais kabeļu renes/trepju noslogojums kN/m nereķinot slodzi instalācijas laikā
  • Attālums starp balstiem, m Attālums starp balstiem, m
  • Profila izliece mm pie pieļaujamās slodzes kN/m Profila izliece mm pie pieļaujamās slodzes kN/m
  • Slodzes līkne ar mm izteiktu kabeļu renes/trepju platumu Slodzes līkne ar mm izteiktu kabeļu renes/trepju platumu
  • Profila izlieces līkne atkarībā no balstu attāluma Profila izlieces līkne atkarībā no balstu attāluma
  • Slodzes shēma pārbaudes laikā Slodzes shēma pārbaudes laikā
Visi tipi

Visi tipi

Tips Garums Platums Metāla biezums Funkciju nodrošināšana Preces Nr. Daudzums mazākā pārd. vien.
SLZ 100 FT 3000 mm 100 mm 5 mm 7098132
3 m
SLZ 150 FT 3000 mm 150 mm 5 mm 7098133
3 m
SLZ 200 FT 3000 mm 200 mm 5 mm 7098134
3 m
SLZ 300 FT 3000 mm 300 mm 5 mm 7098136
3 m
SLZ 400 FT 3000 mm 400 mm 5 mm 7098138
3 m
SLZ 500 FT 3000 mm 500 mm 5 mm 7098140
3 m
SLZ 600 FT 3000 mm 600 mm 5 mm 7098142
3 m
Piederumi

Montāžas piederumi

Produkti Tips Preces Nr. Daudzums mazākā pārd. vien.
Spriegošanas lente A2K, tumši melnā krāsā Spriegošanas lente A2K, tumši melnā krāsā SBR 8 A2K 6490192
40 m
Spriegošanas lente FSK, akmens pelēka Spriegošanas lente FSK, akmens pelēka SBR 15 FSK 6490280
25 m
Lejupielādes

Lejupielāde

ES Atbilstības deklarācija SLZ 150 FT / 7098133 , 0.12MB , pdf
Lejupielāde

Lejupielāde

SLZ 150 FT / 7098133
Lejupielāde