Kabeļu trepes LCIS 60, 3 m C30 FS

Preces Nr. 6209614 | EAN 4012196487592

3000 mm
1,5 mm
Produkta apraksts
Produkta apraksts
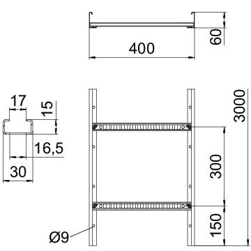
Kabeļu trepes ar 60 mm augstām malām, iemetinātiem, augšup vērstiem C30 profila spraišļiem. Ieliekta sānu mala pastiprinājumam, kas kalpo arī kā malu aizsargs. Nostiprināšana uz balsteņa notiek ar LKS 40 tipa skavām. Spraugas izmērs spraišļiem ir 16,5 mm, atbilstošais piekarapskavas tips ir BS-H....
Magnētiskā ekranējuma efektivitāte bez vāka 10 dB, ar vāku 15 dB.
  • Eiropas Savienības, EG atbilstības deklarācija saskaņā ar EK direktīvām
  • UKCA atbilstības deklarācija
  • Kabeļu trepes, malas augstums 60 mm
  • Produkta vides deklarācija (EPD)
  • CO₂ pēdas nospiedums (PCF)
Tehniskie dati

Tehniskie dati

Attālums starp spraišļiem 300 mm
Augstums 60 mm
Balstu atstatums 1,5 m 3,3 kN/m
Balstu atstatums 2,0 m 2 kN/m
Balstu atstatums 2,5 m 1,3 kN/m
Balstu atstatums 3,0 m 1 kN/m
Balstu atstatums 3,5 m 0,78 kN/m
Balstu atstatums 4,0 m 0,4 kN/m
Balstu atstatums 4,5 m 0,3 kN/m
Balstu atstatums 5,0 m 0,2 kN/m
CO2 pēdas nospiedums (GWP) no šūpuļa līdz vārtiem 7,5721 kg CO2e / 1 Metrs
Derīgais šķērsgriezums 16000 mm²
Derīgais šķērsgriezums 160 cm²
Funkciju nodrošināšana
Gara laiduma izpildījums
Garums 3000 mm
Izmērs 60x400x3000
Izmērs B 400 mm
Krāsa cinks
Materiāls Tērauds
Metāla biezums 1,5 mm
Nerūsējošs tērauds, kodināts
Platums 400 mm
Sānu caurumi
Sānu malas konstrukcija plakans profils
Spraišļa atveres izmērs 17,00
Spraišļa stiprinājums metināts
Spraišļu izpildījums Caurumots profils
Virsma cinkots

Tehniskie dati

Slodzes diagramma, kabeļu trepes, tips LCIS 60

Slodzes diagramma, kabeļu trepes, tips LCIS 60
  • Pieļaujamais kabeļu renes/trepju noslogojums kN/m nereķinot slodzi instalācijas laikā Pieļaujamais kabeļu renes/trepju noslogojums kN/m nereķinot slodzi instalācijas laikā
  • Attālums starp balstiem, m Attālums starp balstiem, m
  • Profila izliece mm pie pieļaujamās slodzes kN/m Profila izliece mm pie pieļaujamās slodzes kN/m
  • Slodzes shēma pārbaudes laikā Slodzes shēma pārbaudes laikā
  • Slodzes līkne ar mm izteiktu kabeļu renes/trepju platumu Slodzes līkne ar mm izteiktu kabeļu renes/trepju platumu
  • Profila izlieces līkne atkarībā no balstu attāluma Profila izlieces līkne atkarībā no balstu attāluma
Visi tipi

Visi tipi

Tips Garums Platums Metāla biezums Funkciju nodrošināšana Preces Nr. Daudzums mazākā pārd. vien.
LCIS 610 3 FS 3000 mm 100 mm 1,5 mm 6209608
3 m
LCIS 620 3 FS 3000 mm 200 mm 1,5 mm 6209610
3 m
LCIS 630 3 FS 3000 mm 300 mm 1,5 mm 6209612
3 m
LCIS 640 3 FS 3000 mm 400 mm 1,5 mm 6209614
3 m
LCIS 650 3 FS 3000 mm 500 mm 1,5 mm 6209616
3 m
LCIS 660 3 FS 3000 mm 600 mm 1,5 mm 6209618
3 m
Piederumi

Sistēmas piederumi

Produkti Tips Preces Nr. Daudzums mazākā pārd. vien.
Vāks ar grozāmu aizbīdni FS Vāks ar grozāmu aizbīdni FS DRL 400 FS 6052401
3 m
Garenais savienotājs FS Garenais savienotājs FS LVG 60 FS 6208840
10 Gabals
Leņķa savienotājs 60 FS Leņķa savienotājs 60 FS LWVG 60 FS 6208895
10 Gabals
Šarnīrsavienojums FS Šarnīrsavienojums FS LGVG 60 FS 6208941
10 Gabals
Daudzfunkcionālais savienotājs FS Daudzfunkcionālais savienotājs FS LMFV 640 FS 6225714
1 Gabals
90° līkums 60 FS 90° līkums 60 FS LB 90 640 R3 FS 6225046
1 Gabals
T veida detaļa 60 FS T veida detaļa 60 FS LT 640 R3 FS 6225214
1 Gabals
Montāžas/atzarojuma detaļa 60 FS Montāžas/atzarojuma detaļa 60 FS LAA 640 R3 FS 6225854
1 Gabals
Šarnīra līkuma elements 60 FS Šarnīra līkuma elements 60 FS LGBE 640 FS 6225454
1 Gabals
Aizsargvāks 60 Aizsargvāks 60 SKH 60 OR 6222537
40 Pāris
Savienošanas detaļa FS Savienošanas detaļa FS LAS 60 FS 6221351
10 Gabals
Starpsiena 45 FS Starpsiena 45 FS TSG 45 FS 6062033
3 m
Stūra plāksne FS Stūra plāksne FS LEB 25 FS 6221203
1 Gabals
Stūra plāksne FS Stūra plāksne FS LEB 50 FS 6221246
1 Gabals
Lejupielādes

Lejupielāde

ES Atbilstības deklarācija LCIS 640 3 FS / 6209614 , 0.12MB , pdf
Lejupielāde
Apvienotās Karalistes atbilstības deklarācija LCIS 640 3 FS / 6209614 , 0.09MB , pdf
Produkta vides deklarācija (EPD) LCIS 640 3 FS / 6209614 , 1.48MB , pdf
Lejupielāde

Lejupielāde
Lejupielāde

LCIS 640 3 FS / 6209614
Lejupielāde