Kabeļu trepes LCIS 60, 6 m C30 A4

Preces Nr. 6207202 | EAN 4012196431960

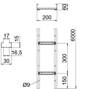
6000 mm
1,5 mm
Produkta apraksts
Produkta apraksts
Kabeļu trepes ar 60 mm augstām malām, iemetinātiem un augšup vērstiem C30 profila spraišļiem. Ieliekta sānu mala pastiprinājumam, kas kalpo arī kā malu aizsargs. Nostiprināšana uz balsteņa notiek ar LKS 40 tipa skavām. Spraugas izmērs spraišļiem ir 16,5 mm, atbilstošais piekarapskavas tips ir 2056.
Magnētiskā ekranējuma efektivitāte bez vāka 10 dB, ar vāku 15 dB.
  • Eiropas Savienības, EG atbilstības deklarācija saskaņā ar EK direktīvām
  • UKCA atbilstības deklarācija
  • Kabeļu trepes, malas augstums 60 mm
  • Produkta vides deklarācija (EPD)
  • CO₂ pēdas nospiedums (PCF)
Tehniskie dati

Tehniskie dati

Attālums starp spraišļiem 300 mm
Augstums 60 mm
Balstu atstatums 1,5 m 3,3 kN/m
Balstu atstatums 2,0 m 2 kN/m
Balstu atstatums 2,5 m 1,3 kN/m
Balstu atstatums 3,0 m 1 kN/m
Balstu atstatums 3,5 m 0,78 kN/m
Balstu atstatums 4,0 m 0,4 kN/m
Balstu atstatums 4,5 m 0,3 kN/m
Balstu atstatums 5,0 m 0,2 kN/m
CO2 pēdas nospiedums (GWP) no šūpuļa līdz vārtiem 13,5051 kg CO2e / 1 Metrs
Derīgais šķērsgriezums 8000 mm²
Derīgais šķērsgriezums 80 cm²
Funkciju nodrošināšana
Gara laiduma izpildījums
Garums 6000 mm
Izmērs 60x200x6000
Izmērs B 200 mm
Krāsa tērauda
Materiāls Nerūsējošais tērauds 1.4571
Metāla biezums 1,5 mm
Nerūsējošs tērauds, kodināts
Platums 200 mm
Sānu caurumi
Sānu malas konstrukcija plakans profils
Spraišļa atveres izmērs 17,00
Spraišļa stiprinājums metināts
Spraišļu izpildījums Caurumots profils
Virsma neizolēts, apstrādāts

Tehniskie dati

Slodzes diagramma, kabeļu trepes, tips LCIS 60

Slodzes diagramma, kabeļu trepes, tips LCIS 60
  • Pieļaujamais kabeļu renes/trepju noslogojums kN/m nereķinot slodzi instalācijas laikā Pieļaujamais kabeļu renes/trepju noslogojums kN/m nereķinot slodzi instalācijas laikā
  • Attālums starp balstiem, m Attālums starp balstiem, m
  • Profila izliece mm pie pieļaujamās slodzes kN/m Profila izliece mm pie pieļaujamās slodzes kN/m
  • Slodzes shēma pārbaudes laikā Slodzes shēma pārbaudes laikā
  • Slodzes līkne ar mm izteiktu kabeļu renes/trepju platumu Slodzes līkne ar mm izteiktu kabeļu renes/trepju platumu
  • Profila izlieces līkne atkarībā no balstu attāluma Profila izlieces līkne atkarībā no balstu attāluma
Visi tipi

Visi tipi

Tips Garums Platums Metāla biezums Funkciju nodrošināšana Preces Nr. Daudzums mazākā pārd. vien.
LCIS 620 6 A4 6000 mm 200 mm 1,5 mm 6207202
6 m
LCIS 630 6 A4 6000 mm 300 mm 1,5 mm 6207204
6 m
LCIS 640 6 A4 6000 mm 400 mm 1,5 mm 6207206
30 m
LCIS 650 6 A4 6000 mm 500 mm 1,5 mm 6207208
6 m
LCIS 660 6 A4 6000 mm 600 mm 1,5 mm 6207210
6 m
Piederumi

Sistēmas piederumi

Produkti Tips Preces Nr. Daudzums mazākā pārd. vien.
Vāks ar grozāmu aizbīdni A4 Vāks ar grozāmu aizbīdni A4 DRL 200 A4 6052981
3 m
Garenais savienotājs A4 Garenais savienotājs A4 LVG 60 A4 6208835
10 Gabals
Leņķa savienotājs 60 A4 Leņķa savienotājs 60 A4 LWVG 60 A4 6208891
10 Gabals
Šarnīru savienojums A4 Šarnīru savienojums A4 LGVG 60 A4 6208932
10 Gabals
90° līkums 60 A4 90° līkums 60 A4 LB 90 620 R3 A4 6225102
1 Gabals
T veida detaļa 60 A4 T veida detaļa 60 A4 LT 620 R3 A4 6225270
1 Gabals
Aizsargvāks 60 Aizsargvāks 60 SKH 60 OR 6222537
40 Pāris
Starpsiena 45 A4 Starpsiena 45 A4 TSG 45 A4 6062028
3 m
Lejupielādes

Lejupielāde

ES Atbilstības deklarācija LCIS 620 6 A4 / 6207202 , 0.12MB , pdf
Lejupielāde
Apvienotās Karalistes atbilstības deklarācija LCIS 620 6 A4 / 6207202 , 0.09MB , pdf
Produkta vides deklarācija (EPD) LCIS 620 6 A4 / 6207202 , 1.48MB , pdf
Lejupielāde

Lejupielāde
Lejupielāde

LCIS 620 6 A4 / 6207202
Lejupielāde