Kabeļu trepes LG 60, 6 m VSF

Preces Nr. 6207501 | EAN 4012195299639

6000 mm
1,5 mm
Tērauds
Produkta apraksts
Produkta apraksts
Kabeļu trepes horizontālai kabeļu un vadu instalēšanai. Izmantojama kā funkciju nodrošināšanas nesošā konstrukcija atbilstoši DIN 4102 12. daļai. Funkciju nodrošinājuma klases E30 līdz E90. Ar iekniedētu un uz augšu vērstu vaļēju C profila spraisli.
  • Funkciju nodrošināšanas klase E30
  • Funkciju nodrošināšanas klase E60
  • Funkciju nodrošināšanas klase E90
  • CO₂ pēdas nospiedums (PCF)
Tehniskie dati

Tehniskie dati

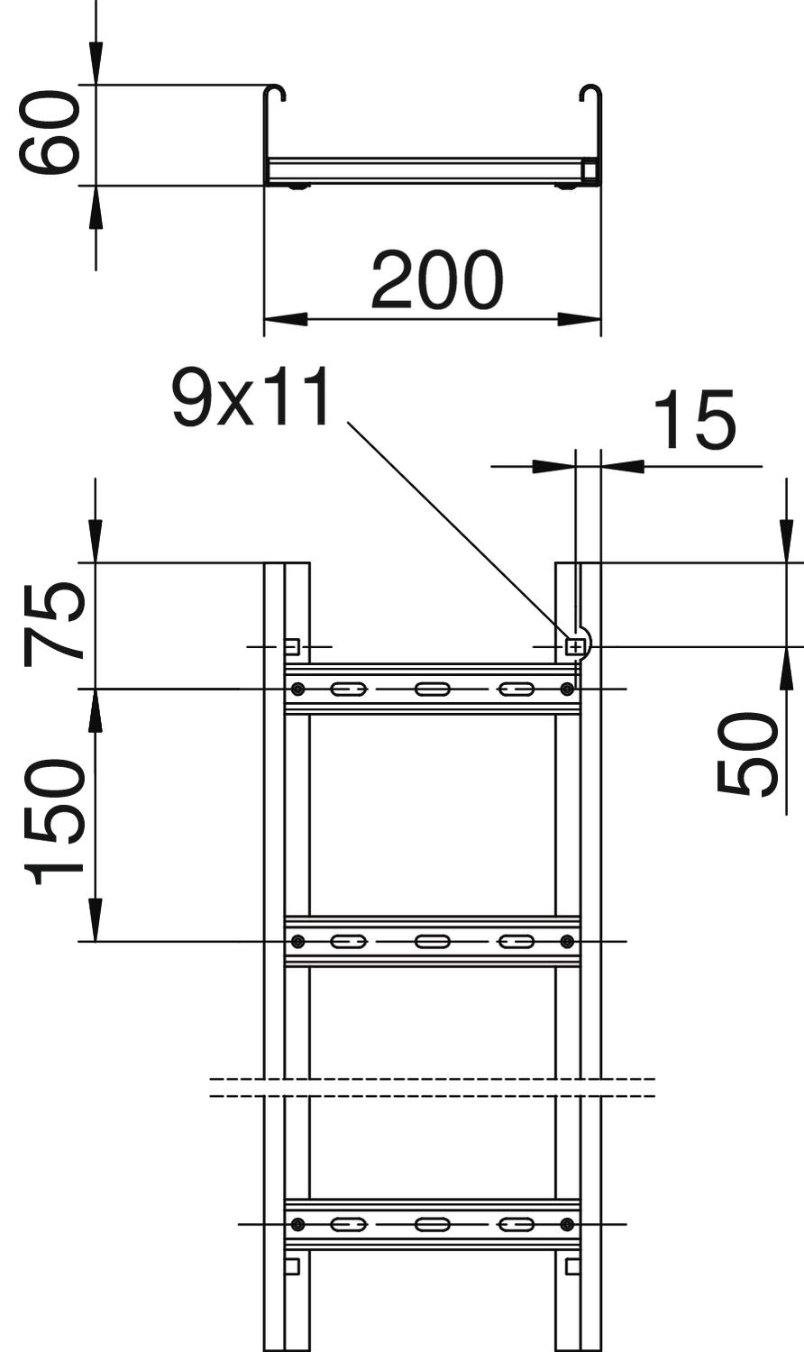
Attālums starp spraišļiem 150 mm
Augstums 60 mm
CO2 pēdas nospiedums (GWP) no šūpuļa līdz vārtiem 7,5952 kg CO2e / 1 Metrs
Derīgais šķērsgriezums 9800 mm²
Derīgais šķērsgriezums 98 cm²
Funkciju nodrošināšana
Gara laiduma izpildījums
Garums 6000 mm
Izmērs 60x200x6000
Izmērs B 200 mm
Krāsa cinks
Materiāls Tērauds
Metāla biezums 1,5 mm
Nerūsējošs tērauds, kodināts
Platums 200 mm
Sānu caurumi
Sānu malas konstrukcija Profils (atvērts)
Spraišļa atveres izmērs 17,00
Spraišļa stiprinājums kniedēts no vienas puses
Spraišļu izpildījums Caurumots profils
Ugunsdrošība Funkcijas nodrošinājums - standartam atbilstoša nesošā konstrukcija
Virsma cinkots
Visi tipi

Visi tipi

Tips Garums Platums Metāla biezums Funkciju nodrošināšana Materiāls Virsma Preces Nr. Daudzums mazākā pārd. vien.
LG 620 VSF 6 FS 6000 mm 200 mm 1,5 mm Tērauds cinkots 6207501
6 m
LG 630 VSF 6 FS 6000 mm 300 mm 1,5 mm Tērauds cinkots 6207505
6 m
LG 640 VSF 6 FS 6000 mm 400 mm 1,5 mm Tērauds cinkots 6207509
6 m
LG 620 VSF 6 FT 6000 mm 200 mm 1,5 mm Tērauds karsti cinkots 6207523
6 m
LG 630 VSF 6 FT 6000 mm 300 mm 1,5 mm Tērauds karsti cinkots 6207527
6 m
LG 640 VSF 6 FT 6000 mm 400 mm 1,5 mm Tērauds karsti cinkots 6207531
6 m
Piederumi

Sistēmas piederumi

Produkti Tips Preces Nr. Daudzums mazākā pārd. vien.
Aizsargvāks 60 Aizsargvāks 60 SKH 60 OR 6222537
40 Pāris

Montāžas piederumi

Produkti Tips Preces Nr. Daudzums mazākā pārd. vien.
Ārējais savienojuma veidgabals Ārējais savienojuma veidgabals AVL 60 FS 6208770
10 Gabals
Lejupielādes

Lejupielāde

ES Atbilstības deklarācija LG 620 VSF 6 FS / 6207501 , 0.13MB , pdf
Lejupielāde

Šim produktam nav pieejami preču apraksti