Kombinēta aizsargierīce TD-4/I ISDN un DSL sistēmām

Preces Nr. 5081690 | EAN 4012196034352

5081690 / TD-4/I
4
120 V
170 V
RJ11
Produkta apraksts
Produkta apraksts
Datu kabeļu aizsargierīces telekomunikāciju ierīcēm

• Zems aizsardzības līmenis pie lielas strāvas slodzes
• „Push-In” skavas ātrai instalācijai
• Optimizēts joslas platums drošai datu pārsūtīšanai
• Montāža virs apmetuma
• Optiskā funkcijas indikācija

Lietojums: DSL sistēmas, ISDN vai analogās telekomunikācijas
  • 5 gadu garantija
  • Eiropas Savienības, EG atbilstības deklarācija saskaņā ar EK direktīvām
  • Aizsardzības veids IP 54
  • Pāreja no LPZ 0 līdz 3
  • Integrated Service Digital Network, ISDN lietojumi
  • Digital Subscriber Line, DSL lietojumi
  • Analogās telekomunikācijas
  • Installation electrotechnical expertise
  • CO₂ pēdas nospiedums (PCF)
  • Iepakojums bez plastmasas
  • Iepakojums pilnībā no otrreiz pārstrādāta kartona
Tehniskie dati

Tehniskie dati

Aizsardzības līmenis dzīsla–dzīsla <300 V
Aizsardzības līmenis dzīsla–zeme <650 V
Aizsardzības līmenis ekrāns–zeme (S-PE) 850 V
Aizsardzības veids IP54
Augstākais ilgtermiņa spriegums AC 120 V
Augstākais ilgtermiņa spriegums DC 170 V
CO2 pēdas nospiedums (GWP) no šūpuļa līdz vārtiem 0,4171 kg CO2e / 1 Gabals
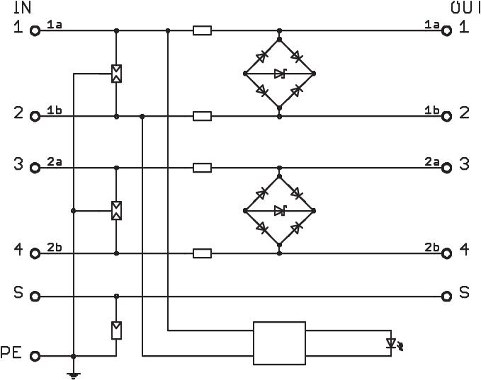
Ekrāna pieslēgums
Ekranējums netieši
Ierīces signalizācija optisks
Ievietotā slāpēšana (Insertion loss) ≤3 dB
Impulsstrāva 2,5 kA
Impulsu strāvas caurlaidība, stieple-stieple C2: 18 kV / 9 kA (8/20µs)
Impulsu strāvas caurlaidība, stieple–zeme C2: 18 kV / 9 kA (8/20µs)
Izmantošanas temperatūras diapazons maks. 80 °C
Izmantošanas temperatūras diapazons min. -40 °C
Izmērs 170V
Izolācijas pretestība >1 MΩ
Kapacitāte (dzīsla-dzīsla) <50 pF
Kapacitāte (dzīsla-zemējums) <10 pF
Kategorie 1. + 2. +3. tips/D1 + C2 + C1
Kopējā impulsu strāva novadītājā (10/350) D1: 12,5 kA
Kopējā impulsu strāva novadītājā (8/20) 25 kA
Krāsa balts
LPZ 0→3
Materiāls Plastmasa
Nominālā noslogojuma strāva, AC 0,14 A
Nominālā noslogojuma strāva, DC 0,2 A
Novadītāja uzraudzība
Pārbaudes standarts IEC 61643-21
Pieslēguma diametrs, elastīgs maks. 0,75 mm²
Pieslēguma diametrs, elastīgs min. 0,14 mm²
Pieslēguma diametrs, vairākdzīslu maks. 0,75 mm²
Pieslēguma diametrs, vairākdzīslu min. 0,14 mm²
Polu skaits 4
Robežfrekvence 100 MHz
SPD atb. I + II + III klase/D1 + C2 + C1
Sprādziendroša konstrukcija
Spraudsistēma RJ11
Stacionārā pieslēguma šķērsgriezums maks. 0,75 mm²
Stacionārā pieslēguma šķērsgriezums min. 0,14 mm²
Tālvadības signālkontakts
Virknes pretestība katrai stieplei 9 Ω ± 10 %
Visi tipi

Visi tipi

Tips Polu skaits Augstākais ilgtermiņa spriegums AC Augstākais ilgtermiņa spriegums DC Spraudsistēma Preces Nr. Daudzums mazākā pārd. vien.
TD-4/I 4 120 V 170 V RJ11 5081690
1 Gabals
Lejupielādes

Lejupielāde

Lejupielāde

ES Atbilstības deklarācija TD-4/I / 5081690 , 0.12MB , pdf
Lejupielāde

Lejupielāde
Lejupielāde

TD-4/I / 5081690
Lejupielāde