Kombinētais novadītājs V50, 3 polu, ar FS 280 V

Preces Nr. 5093516 | EAN 4012196159642

280 V
IP20
Produkta apraksts
Produkta apraksts
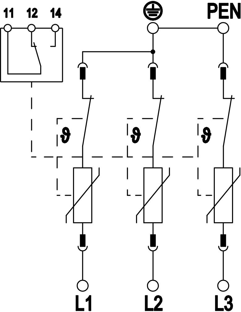
Zibensstrāvas kombinētais novadītājs, tips 1+2

• zibensaizsardzības potenciālu izlīdzinājumam atb. VDE 0185-305 (IEC 62305)
• zibensizlādes strāvas caurlaides spēja 12,5 kA (10/350) katram polam un līdz 50 kA (10/350) kopā
• modulārs, iespraužams novadītājs ar atdalošo iekārtu un optisko statusa indikatoru
• aiztures funkcija ar aizsardzību pret vibrācijām un sprieguma kodēšanu
• plastmasa atbilstoši UL 94 V-0
• FS variantiem ir potenciālu nesaturošs maiņkontakts tālvadības signalizācijai

Pielietojums: zibensaizsardzība un potenciālu izlīdzināšana ēkām ar III un IV zibensaizsardzības klasi.
* Pilns komplekts = augšējā un apakšējā daļa
  • KEMA-KEUR, Nīderlande
  • Austrijas elektrotehnikas apvienība, Austrija
  • Elektrotehnikas, elektronikas un informācijas tehnoloģiju apvienība, Vācija
  • Underwriters Laboratories Inc., USA + CSA, Kanāda
  • 5 gadu garantija
  • Eiropas Savienības, EG atbilstības deklarācija saskaņā ar EK direktīvām
  • EurAsian Conformity
  • Regulatory Compliance Mark - Atbilstības deklarācija Austrālijai / Jaunzēlandei
  • Pāreja no LPZ 0 līdz 2
  • No tipa 1 un tipa 2 kombinēta aizsargierīce
  • Installation electrotechnical expertise
  • Tālvadības signalizācija
  • CO₂ pēdas nospiedums (PCF)
  • Iepakojums bez plastmasas
  • Iepakojums pilnībā no otrreiz pārstrādāta kartona
Tehniskie dati

Tehniskie dati

Aizsardzības līmenis [L-N] ≤1,3
Aizsardzības veids IP20
Atbildes laiks <25 ns
Atļaujas VDE, KEMA, UL, ÖVE
Atlikušais spriegums [L-N] @ 1 kA 0,7 kV
Atlikušais spriegums [L-N] @ 12,5 kA 1 kV
Atlikušais spriegums [L-N] @ 5 kA 0,8 kV
Augstākais ilgtermiņa spriegums AC 280 V
Augstākais pastāvīgais spriegums (L-N) 280 V
CO2 pēdas nospiedums (GWP) no šūpuļa līdz vārtiem 1,4906 kg CO2e / 1 Gabals
Ekspluatācijas temperatūra maks. 80 °C
Ekspluatācijas temperatūra min. -40 °C
Elastīgo vadu šķērsgriezums (smalkās stieples) maks. 2 AWG
Elastīgo vadu šķērsgriezums (smalkās stieples) maks. 35 mm²
Elastīgo vadu šķērsgriezums (smalkās stieples) min. 1,5 mm²
Elastīgo vadu šķērsgriezums (smalkās stieples) min. 16 AWG
FM kontakti Pārslēgs
Gaisa mitrums maks. 95 %
Gaisa mitrums min. 5 %
Griezes moments 4 Nm
Ierīces signalizācija optisks
Impulsu strāva novadītājā (8/20 µs) [kopējā] 120 kA
Integrēta aizsardzība pie ieejas
Īssavienojuma izturība pie maksimumstrāvas aizsardzības tīkla pusē 50 kA eff
Izmantošanas temperatūras diapazons maks. 80 °C
Izmantošanas temperatūras diapazons min. -40 °C
Izmērs 280V
Izpūtošs
Komutācijas jauda AC 230 V; 0,5 A
Komutācijas jauda DC 230 V; 0,1 A / 75 V; 0,5 A
Korpusa materiāls, pārsprieguma aizsardzības komponenti PA UL 94 V-0
Maksimālā aizsardzība pie ieejas 160 A
Maksimālā impulsu strāva novadītājā (8/20 μs) 50 kA
Maksimālā impulsu strāva novadītājā (8/20 μs) [L-N] 50 kA
Maksimumstrāvas aizsardzība tīkla pusē 160 A gL/gG
Minimālais attālums 1,5 mm
Montāžas veids Montāžas sliede 35 mm
Nominālā noplūdes strāva (8/20 µs) 30 kA
Nominālā noplūdes strāva (8/20 µs) [L-N] 30 kA
Nominālais spriegums AC (50/60 Hz) 230 V
Pieslēguma diametrs, FM skavas maks. 1,5 mm²
Pieslēguma diametrs, FM skavas maks. 16 AWG
Pieslēguma diametrs, FM skavas min. 21 AWG
Pieslēguma diametrs, FM skavas min. 0,5 mm²
Polu izpildījums 3
Polu skaits 3
SPD atb. EN 61643-11 Tips 1+2
SPD atb. IEC 61643-1 I+II klase
SPD saskaņā ar UL 1449 4. tips
Tālvadības signalizācija
Tīkla tips TN-C
Tīkla tips TN
Tīkla tips TN-C
TOV spriegums [L-N] – bezatteices režīms – 120 min 440 V
TOV spriegums [L-N] – iztursprieguma režīms – 5 s 335 V
Vadu šķērsgriezums nekustīgs (viena/vairākas stieples) maks. 2 AWG
Vadu šķērsgriezums nekustīgs (viena/vairākas stieples) maks. 35 mm²
Vadu šķērsgriezums nekustīgs (viena/vairākas stieples) min. 1,5 mm²
Vadu šķērsgriezums nekustīgs (viena/vairākas stieples) min. 16 AWG
Zibens impulsa strāva (10/350) [kopējā] 37,5 kA
Zibens impulsa strāva (10/350 μs) 12,5 kA
Visi tipi

Visi tipi

Tips Polu izpildījums Augstākais ilgtermiņa spriegums AC Aizsardzības veids Preces Nr. Daudzums mazākā pārd. vien.
V50-4+FS-280 4 280 V IP20 5093518
1 Gabals
V50-3+FS-280 3 280 V IP20 5093516
1 Gabals
V50-1+FS-280 1 280 V IP20 5093502
1 Gabals
Lejupielādes

Lejupielāde

Lejupielāde
Lejupielāde

ES Atbilstības deklarācija V50-3+FS-280 / 5093516 , 0.13MB , pdf
Lejupielāde

V50-3+FS-280 / 5093516
Lejupielāde