MSR aizsardzība 2 polu strāvas padevei 48 V

Preces Nr. 5097615 | EAN 4012195578130

2
IP20
Produkta apraksts
Produkta apraksts
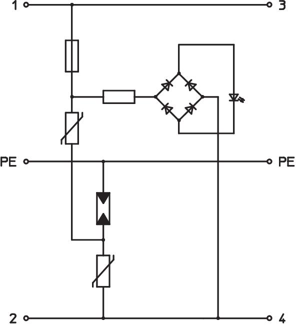
Pārsprieguma aizsargierīce/augstas jutības tīkla aizsargierīce, 3. tips, atb. EN 61643-11

• Piemērota līdzsprieguma un maiņsprieguma sistēmām
• Ar optisku funkciju indikatoru
• Ar vienkārši montējamām pieslēguma spailēm bez skrūvēm
• Ar kompaktu 17,5 mm režģa izmēru
• Y veida slēgums

Lietojums: universāli lietojama uz 35 mm U veida profila sliedes tirdzniecībā pieejamu sadalītāju korpusā.
  • 5 gadu garantija
  • Eiropas Savienības, EG atbilstības deklarācija saskaņā ar EK direktīvām
  • Aizsargierīce atb. DIN EN 61643-11 vai IEC 61643-11
  • Pāreja no LPZ 2 uz 3
  • Installation electrotechnical expertise
  • CO₂ pēdas nospiedums (PCF)
  • Iepakojums bez plastmasas
Tehniskie dati

Tehniskie dati

Aizsardzības līmenis dzīsla–dzīsla <220 V
Aizsardzības līmenis dzīsla–zeme <1200 V
Aizsardzības veids IP20
Atbildes laiks <25 ns
Augstākais ilgtermiņa spriegums AC 60 V
Augstākais ilgtermiņa spriegums DC 80 V
CO2 pēdas nospiedums (GWP) no šūpuļa līdz vārtiem 0,4262 kg CO2e / 1 Gabals
Ekspluatācijas temperatūra maks. 80 °C
Ekspluatācijas temperatūra min. -40 °C
Ierīces signalizācija optisks
Izmantošanas temperatūras diapazons maks. 80 °C
Izmantošanas temperatūras diapazons min. -40 °C
Izmērs 48V AC
Izpildījums 48 V versija
Izpūtošs
LPZ 2→3
Maksimālā aizsardzība pie ieejas 20 A
Maksimālā impulsu strāva novadītājā (8/20 μs) 2 kA
Maksimumstrāvas aizsardzība tīkla pusē 20
Montāžas veids Montāžas sliede 35 mm
Nominālā noplūdes strāva (8/20 µs) 0,7 kA
Nominālais spriegums AC (50/60 Hz) 48 V
OBO_Nominālā noslogojuma strāva (ieejas/izejas spaile) 20 A
Polu izpildījums 2
Polu skaits 3
SPD atb. EN 61643-11 Tips 3
SPD atb. IEC 61643-1 III klase
Sprādziendroša konstrukcija
Tālvadības signalizācija
Tīkla tips citi
Tipa 3 pārbaudes klase
Vadu šķērsgriezums nekustīgs (viena/vairākas stieples) maks. 2,5 mm²
Vadu šķērsgriezums nekustīgs (viena/vairākas stieples) min. 0,14 mm²
Visi tipi

Visi tipi

Tips Polu izpildījums Augstākais ilgtermiņa spriegums AC Augstākais ilgtermiņa spriegums DC Aizsardzības veids Preces Nr. Daudzums mazākā pārd. vien.
VF12-AC DC 2 13,5 V 18 V IP20 5097453
1 Gabals
VF24-AC/DC 2 34 V 46 V IP20 5097607
1 Gabals
VF48-AC/DC 2 60 V 80 V IP20 5097615
1 Gabals
VF60-AC/DC 2 80 V 110 V IP20 5097623
1 Gabals
VF110-AC DC 2 150 V 200 V IP20 5097631
1 Gabals
VF230-AC/DC 2 255 V 350 V IP20 5097650
1 Gabals
Lejupielādes

Lejupielāde

Lejupielāde

ES Atbilstības deklarācija VF48-AC/DC / 5097615 , 0.13MB , pdf
Lejupielāde

Lejupielāde
Lejupielāde

VF48-AC/DC / 5097615
Lejupielāde