MSR aizsardzība 2 polu strāvas padevei ar tālvadības signalizāciju 230 V AC

Preces Nr. 5097858 | EAN 4012195578215

5097858 / VF230-AC-FS
255 V
IP20
Produkta apraksts
Produkta apraksts
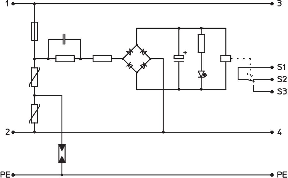
Pārsprieguma aizsargierīce/augstas jutības tīkla aizsardzība, 3. tips (C klase) atb. EN 61643-11 ar tālvadības signalizēšanu

• Ar tālvadības signalizēšanu, bezpotenciāla pārslēdzējkontaktu, funkciju kontrolei
• Piemērota AC maiņsprieguma sistēmām
• Ar optisku funkciju indikatoru
• Ar vienkārši montējamām pieslēguma spailēm bez skrūvēm
• Ar kompaktu 17,5 mm režģa izmēru
• Y veida slēgums

Lietojums: universāli lietojama uz 35 mm U veida profila sliedes, jebkurā tirdzniecībā pieejama sadalītāja korpusā.
  • MAGYAR ELEKTROTECHNIKAI ELLENŐRZŐ INTÉZET Budapest, Ungārija
  • 5 gadu garantija
  • Eiropas Savienības, EG atbilstības deklarācija saskaņā ar EK direktīvām
  • Aizsargierīce atb. DIN EN 61643-11 vai IEC 61643-11
  • Pāreja no LPZ 2 uz 3
  • Tālvadības signalizācija
  • Installation electrotechnical expertise
  • CO₂ pēdas nospiedums (PCF)
  • Iepakojums bez plastmasas
Tehniskie dati

Tehniskie dati

Aizsardzības līmenis dzīsla–dzīsla <1060 V
Aizsardzības līmenis dzīsla–zeme <1400 V
Aizsardzības līmenis [L-N] ≤1000
Aizsardzības veids IP20
Atbildes laiks <25 ns
Augstākais ilgtermiņa spriegums AC 255 V
CO2 pēdas nospiedums (GWP) no šūpuļa līdz vārtiem 0,8639 kg CO2e / 1 Gabals
Ekspluatācijas temperatūra maks. 80 °C
Ekspluatācijas temperatūra min. -40 °C
FM kontakti Pārslēgs
Ierīces signalizācija optisks
Izmantošanas temperatūras diapazons maks. 80 °C
Izmantošanas temperatūras diapazons min. -40 °C
Izmērs 230V AC
Izpūtošs
Kopējais aizsardzības līmenis [L-PE] 1500 kV
LPZ 2→3
Maksimālā impulsu strāva novadītājā (8/20 μs) 7 kA
Montāžas veids Montāžas sliede 35 mm
Nominālā noplūdes strāva (8/20 µs) 2,5 kA
Nominālais spriegums AC (50/60 Hz) 230 V
OBO_Nominālā noslogojuma strāva (ieejas/izejas spaile) 20 A
Polu skaits 3
SPD atb. EN 61643-11 Tips 3
SPD atb. IEC 61643-1 III klase
Sprādziendroša konstrukcija
Tālvadības signalizācija
Tīkla tips citi
Tipa 3 pārbaudes klase
Vadu šķērsgriezums nekustīgs (viena/vairākas stieples) maks. 2,5 mm²
Vadu šķērsgriezums nekustīgs (viena/vairākas stieples) min. 0,14 mm²
Visi tipi

Visi tipi

Tips Augstākais ilgtermiņa spriegums AC Aizsardzības veids Preces Nr. Daudzums mazākā pārd. vien.
VF230-AC-FS 255 V IP20 5097858
1 Gabals
Lejupielādes

Lejupielāde

Lejupielāde

ES Atbilstības deklarācija VF230-AC-FS / 5097858 , 0.13MB , pdf
Lejupielāde

Lejupielāde
Lejupielāde

Šim produktam nav pieejami preču apraksti