Nosegplāksne VH, 1x pievienojamai kontaktligzdai, tips ASD, un 1x CEE spraudsavienojumam

Preces Nr. 6109858 | EAN 4012196169375

Produkta apraksts
Produkta apraksts
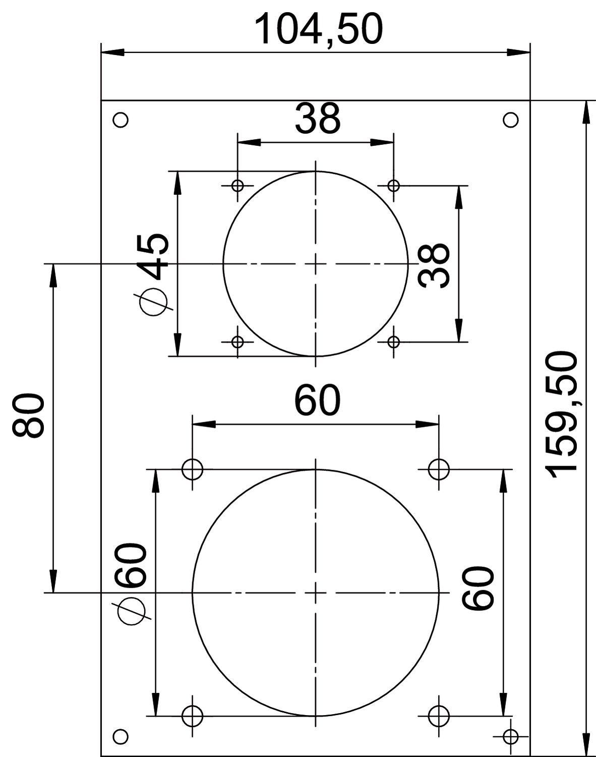
Nosegplāksne ar vienu Ø 45 mm atveri pierīkojamas kontaktligzdas (tips ASD-...) montāžai ar 38 mm stiprinājuma sliedi un vienu Ø 60 mm atveri CEE kontaktligzdas 16/32 A montāžai ar 60 mm stiprinājuma sliedi, ieskaitot 8 skrūves ierīces piestiprināšanai.
  • Eiropas Savienības, EG atbilstības deklarācija saskaņā ar EK direktīvām
  • CO₂ pēdas nospiedums (PCF)
Tehniskie dati

Tehniskie dati

Aizsardzības veids IP20
Augstums 3 mm
CO2 pēdas nospiedums (GWP) no šūpuļa līdz vārtiem 0,2057 kg CO2e / 1 Gabals
Garums 159,5 mm
Instalācijas tehnika Citi
Izmērs 166x105mm
Konstrukcijas veids, atvere apaļš
Krāsa dzeltens; RAL 6000
Materiāls Polivinilhlorīds
Nesatur halogēnus
Platums 104,5 mm
Stiprinājuma veids uzskrūvējams
Tukšais vāks
Vienību skaits 2
Visi tipi

Visi tipi

Tips Preces Nr. Daudzums mazākā pārd. vien.
VHF-P13 6109858
10 Gabals
Lejupielādes

Lejupielāde

VHF-P13 / 6109858
Lejupielāde