Pārsprieguma novadītājs V10 Compact, ar akustisku signalizāciju 255 V

Preces Nr. 5093391 | EAN 4012195299448

5093391 / V10 COMPACT-AS
3+N/PE
255 V
IP20
Produkta apraksts
Produkta apraksts
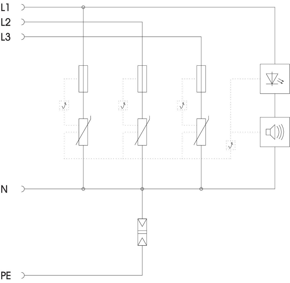
Pārsprieguma aizsargierīce – kompakts modulis, tips 2+3

• pārspriegumaizsardzība sekundārajās sadalēs atb. VDE 0100-443 (IEC 60364-4-44)
• kopējā novadīšanas spēja līdz 60 kA (8/20)
• integrēts 3+1 risinājums TN un TT tīklu sistēmām, moduļa platums 45 mm
• jaudīga varistoru tehnoloģija
• ar termisku un dinamisku atvienošanas ierīci, kā arī optisku darbības indikatoru
• versija ...-AS ar papildu akustisku kļūmes signalizāciju (izslēdzama)

Pielietojums: sekundārā/starpstāvu sadale, kā arī ierīču aizsardzība maiņstrāvas sistēmās.
  • 5 gadu garantija
  • Eiropas Savienības, EG atbilstības deklarācija saskaņā ar EK direktīvām
  • EurAsian Conformity
  • Pāreja no LPZ 1 līdz 3
  • Aizsargierīce atb. DIN EN 61643-11 vai IEC 61643-11
  • Akustiska signalizācija
  • CO₂ pēdas nospiedums (PCF)
  • Iepakojums bez plastmasas
Tehniskie dati

Tehniskie dati

Aizsardzības veids IP20
Atbildes laiks <25 ns
Augstākais ilgtermiņa spriegums AC 255 V
CO2 pēdas nospiedums (GWP) no šūpuļa līdz vārtiem 1,0235 kg CO2e / 1 Gabals
Ekspluatācijas temperatūra maks. 80 °C
Ekspluatācijas temperatūra min. -40 °C
Ierīces signalizācija optisks un akustisks
Impulsu strāva novadītājā (8/20 µs) [kopējā] 60 kA
Integrēta aizsardzība pie ieejas
Izmantošanas temperatūras diapazons maks. 80 °C
Izmantošanas temperatūras diapazons min. -40 °C
Izmērs 255V
Izpūtošs
LPZ 1→3
Maksimālā aizsardzība pie ieejas 63 A
Maksimālā impulsu strāva novadītājā (8/20 μs) 20 kA
Maksimumstrāvas aizsardzība tīkla pusē 63
Montāžas veids Montāžas sliede 35 mm
Nominālā noplūdes strāva (8/20 µs) 10 kA
Nominālais spriegums AC (50/60 Hz) 230 V
Piemērots lietošanai ārpus telpām
Polu izpildījums 3+N/PE
Sekundārās strāvas dzēšanas spēja (ef) [N-PE] 0,1 kA
SPD atb. EN 61643-11 Tips 2+3
SPD atb. IEC 61643-1 II+III klase
Tālvadības signalizācija
Tīkla tips citi
Tīkla tips TN
Tīkla tips TN-C-S
Tīkla tips TN-S
Tīkla tips TT
Tipa 2 pārbaudes klase
Tipa 3 pārbaudes klase
Vadu šķērsgriezums nekustīgs (viena/vairākas stieples) maks. 10 mm²
Vadu šķērsgriezums nekustīgs (viena/vairākas stieples) min. 2,5 mm²
Visi tipi

Visi tipi

Tips Polu izpildījums Augstākais ilgtermiņa spriegums AC Aizsardzības veids Preces Nr. Daudzums mazākā pārd. vien.
V10 COMPACT-AS 3+N/PE 255 V IP20 5093391
1 Gabals
Lejupielādes

Lejupielāde

Lejupielāde

ES Atbilstības deklarācija V10 COMPACT-AS / 5093391 , 0.13MB , pdf
Lejupielāde

Šim produktam nav pieejami preču apraksti