Pārsprieguma novadītājs V20, 2 polu+NPE un FS 150 V

Preces Nr. 5095322 | EAN 4012196162963

150 V
IP20
Produkta apraksts
Produkta apraksts
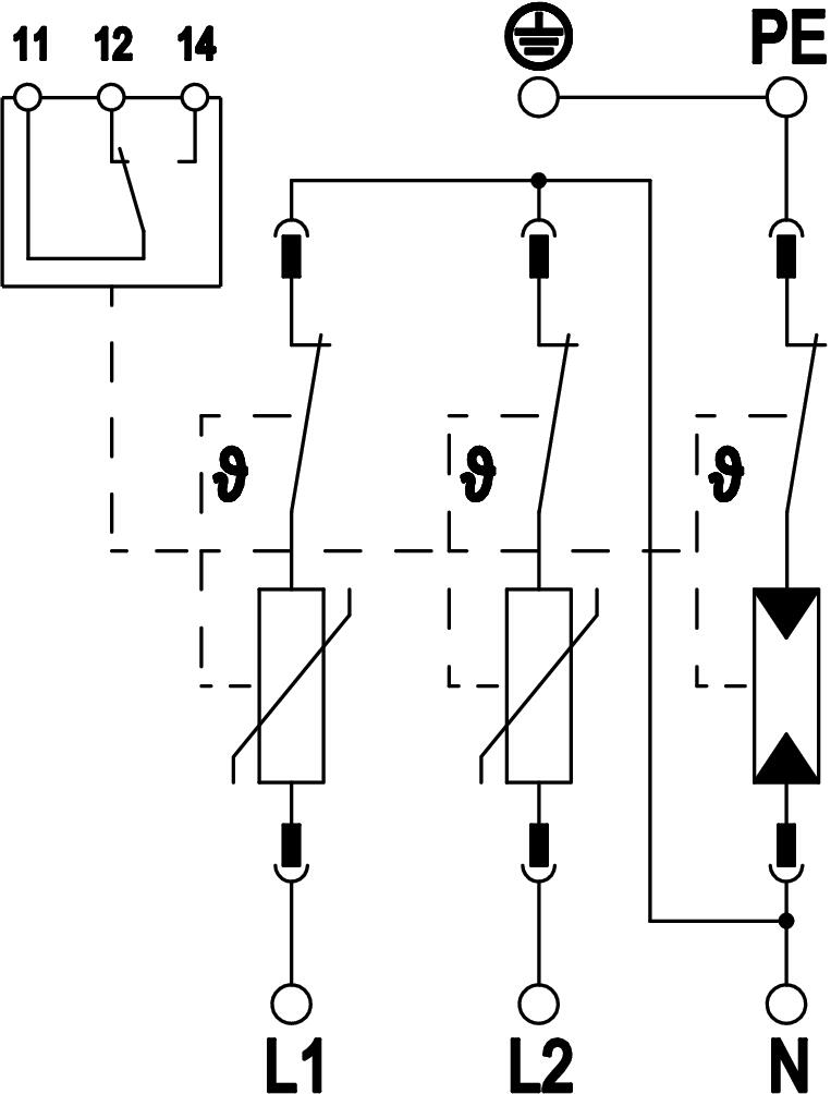
Pārsprieguma novadītājs, tips 2

• pārspriegumaizsardzības potenciālu izlīdzināšanai atb. VDE 0100-443 (IEC 60364-4-44)
• novadīšanas spēja līdz 40 kA (8/20) katram polam, izmantojot efektīvus varistorus
• modulārs, iespraužams novadītājs ar atdalošo iekārtu un optisko statusa indikatoru
• aiztures funkcija ar aizsardzību pret vibrācijām un sprieguma kodēšanu
• plastmasa atb. UL 94 V-0
• FS variantiem ir potenciālu nesaturošs maiņkontakts tālvadības signalizācijai

Pielietojums: potenciālu izlīdzināšana galvenajā sadalē un sekundārajās sadalēs.
  • Underwriters Laboratories Inc., USA + CSA, Kanāda
  • Austrijas elektrotehnikas apvienība, Austrija
  • Elektrotehnikas, elektronikas un informācijas tehnoloģiju apvienība, Vācija
  • KEMA-KEUR, Nīderlande
  • 5 gadu garantija
  • Eiropas Savienības, EG atbilstības deklarācija saskaņā ar EK direktīvām
  • EurAsian Conformity
  • Aizsargierīce atb. DIN EN 61643-11 vai IEC 61643-11
  • Pāreja no LPZ 1 uz 2
  • Installation electrotechnical expertise
  • Tālvadības signalizācija
  • CO₂ pēdas nospiedums (PCF)
  • Iepakojums bez plastmasas
  • Iepakojums pilnībā no otrreiz pārstrādāta kartona
Tehniskie dati

Tehniskie dati

Aizsardzības līmenis [L-N] ≤0,8
Aizsardzības veids IP20
Atbildes laiks <25 ns
Atļaujas VDE, KEMA, UL, ÖVE
Atlikušais spriegums [L-N] @ 1 kA 0,5 kV
Atlikušais spriegums [L-N] @ 5 kA 0,6 kV
Augstākais ilgtermiņa spriegums AC 150 V
Augstākais pastāvīgais spriegums (L-N) 150 V
Augstākais pastāvīgais spriegums (N-PE) 255 V
CO2 pēdas nospiedums (GWP) no šūpuļa līdz vārtiem 1,5611 kg CO2e / 1 Gabals
Ekspluatācijas temperatūra maks. 80 °C
Ekspluatācijas temperatūra min. -40 °C
Elastīgo vadu šķērsgriezums (smalkās stieples) maks. 2 AWG
Elastīgo vadu šķērsgriezums (smalkās stieples) maks. 35 mm²
Elastīgo vadu šķērsgriezums (smalkās stieples) min. 1,5 mm²
Elastīgo vadu šķērsgriezums (smalkās stieples) min. 16 AWG
FM kontakti Pārslēgs
Gaisa mitrums maks. 95 %
Gaisa mitrums min. 5 %
Griezes moments 4 Nm
Ierīces signalizācija optisks
Impulsu strāva novadītājā (8/20 µs) [kopējā] 60 kA
Integrēta aizsardzība pie ieejas
Īssavienojuma izturība pie maksimumstrāvas aizsardzības tīkla pusē 50 kA eff
Izmantošanas temperatūras diapazons maks. 80 °C
Izmantošanas temperatūras diapazons min. -40 °C
Izmērs 150V
Izpūtošs
Izturīgs pret īssavienojumu
Komutācijas jauda AC 230 V; 0,5 A
Komutācijas jauda DC 230 V; 0,1 A / 75 V; 0,5 A
Kopējais aizsardzības līmenis [L-PE] 1,2 kV
Korpusa materiāls, pārsprieguma aizsardzības komponenti PA UL 94 V-0
Maksimālā aizsardzība pie ieejas 160 A
Maksimālā impulsu strāva novadītājā (8/20 μs) 40 kA
Maksimālā impulsu strāva novadītājā (8/20 μs) [L-N] 40 kA
Maksimālā impulsu strāva novadītājā (8/20 μs) [N-PE] 60 kA
Maksimumstrāvas aizsardzība tīkla pusē 160 A gL/gG
Minimālais attālums 1,5 mm
Montāžas veids Montāžas sliede 35 mm
Nominālā noplūdes strāva (8/20 µs) 20 kA
Nominālā noplūdes strāva (8/20 µs) [L-N] 20 kA
Nominālā noplūdes strāva (8/20 µs) [N-PE] 40 kA
Nominālais spriegums AC (50/60 Hz) 120 V
Pieslēguma diametrs, FM skavas maks. 16 AWG
Pieslēguma diametrs, FM skavas maks. 1,5 mm²
Pieslēguma diametrs, FM skavas min. 0,5 mm²
Pieslēguma diametrs, FM skavas min. 21 AWG
Polu izpildījums 2+N/PE
Polu skaits 3
Sekundārās strāvas dzēšanas spēja (ef) [N-PE] 0,1 kA
SPD atb. EN 61643-11 Tips 2
SPD atb. IEC 61643-1 II klase
SPD saskaņā ar UL 1449 4. tips
Tālvadības signalizācija
Tīkla tips citi
Tīkla tips TN
Tīkla tips TN-C-S
Tīkla tips TN-S
Tīkla tips TT
Tipa 2 pārbaudes klase
TOV spriegums [L-N] – bezatteices režīms – 120 min 230 V
TOV spriegums [L-N] – iztursprieguma režīms – 5 s 175 V
TOV spriegums [N-PE] – iztursprieguma režīms – 200 ms 1200 V
Vadu šķērsgriezums nekustīgs (viena/vairākas stieples) maks. 35 mm²
Vadu šķērsgriezums nekustīgs (viena/vairākas stieples) maks. 2 AWG
Vadu šķērsgriezums nekustīgs (viena/vairākas stieples) min. 1,5 mm²
Vadu šķērsgriezums nekustīgs (viena/vairākas stieples) min. 16 AWG
Visi tipi

Visi tipi

Tips Polu izpildījums Augstākais ilgtermiņa spriegums AC Aizsardzības veids Preces Nr. Daudzums mazākā pārd. vien.
V20-3+NPE+FS-150 3+N/PE 150 V IP20 5095321
1 Gabals
V20-2+NPE+FS-150 2+N/PE 150 V IP20 5095322
1 Gabals
Lejupielādes

Lejupielāde

Lejupielāde

ES Atbilstības deklarācija V20-2+NPE+FS-150 / 5095322 , 0.13MB , pdf
Lejupielāde

V20-2+NPE+FS-150 / 5095322
Lejupielāde