Pārsprieguma novadītājs V20, 4 polu ar FS 385 V

Preces Nr. 5095304 | EAN 4012196162895

385 V
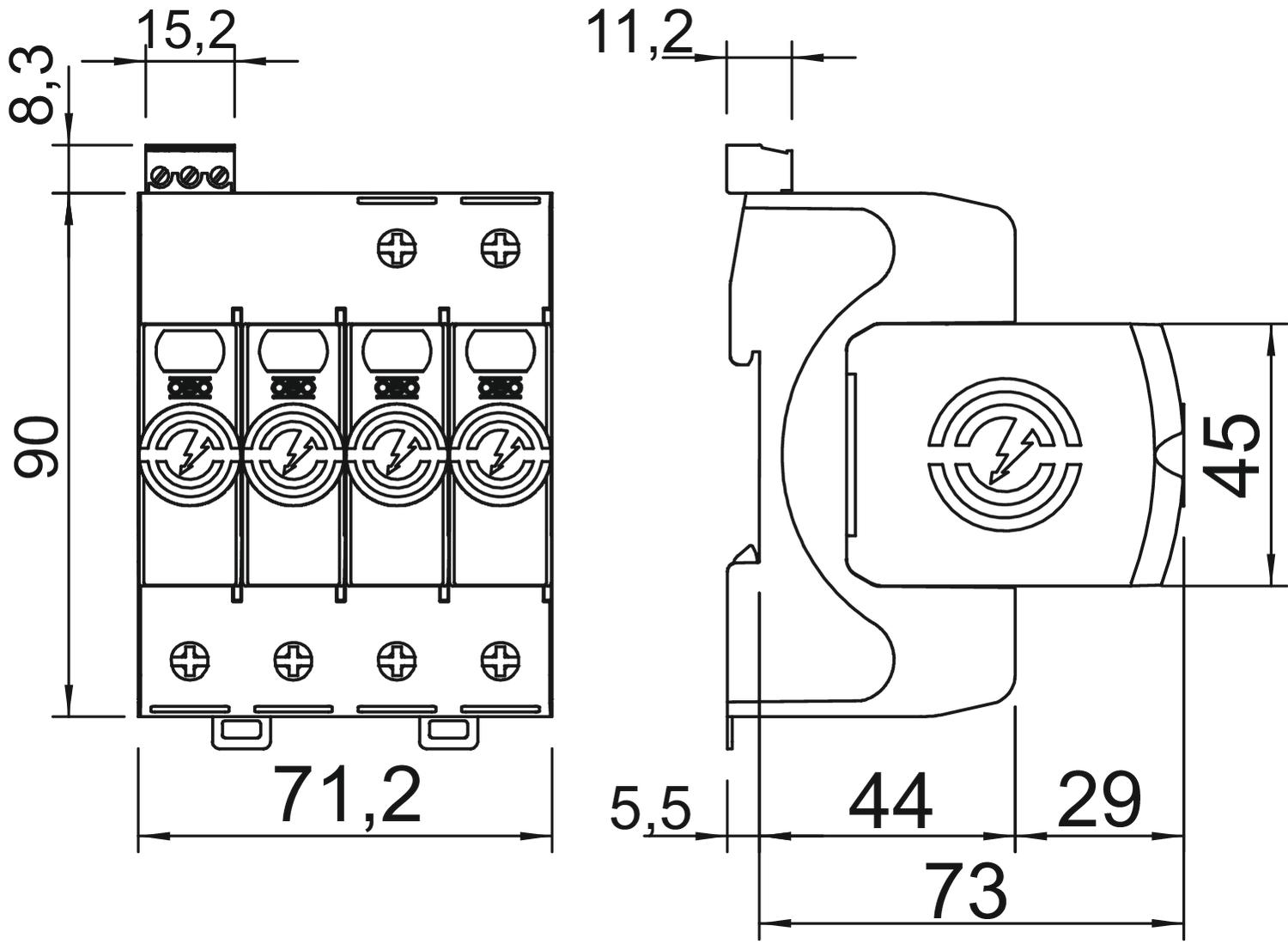
IP20
Produkta apraksts
Produkta apraksts
Pārsprieguma novadītājs, tips 2

• pārspriegumaizsardzības potenciālu izlīdzināšanai atb. VDE 0100-443 (IEC 60364-4-44)
• novadīšanas spēja līdz 40 kA (8/20) katram polam, izmantojot efektīvus varistorus
• modulārs, iespraužams novadītājs ar atdalošo iekārtu un optisko statusa indikatoru
• aiztures funkcija ar aizsardzību pret vibrācijām un sprieguma kodēšanu
• plastmasa atb. UL 94 V-0
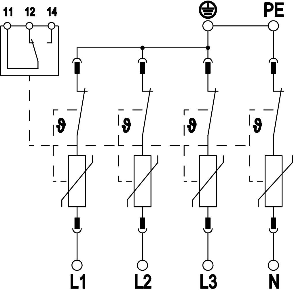
• FS variantiem ir potenciālu nesaturošs maiņkontakts tālvadības signalizācijai

Pielietojums: potenciālu izlīdzināšana galvenajā sadalē un sekundārajās sadalēs.
  • Underwriters Laboratories Inc., USA + CSA, Kanāda
  • Austrijas elektrotehnikas apvienība, Austrija
  • Elektrotehnikas, elektronikas un informācijas tehnoloģiju apvienība, Vācija
  • KEMA-KEUR, Nīderlande
  • 5 gadu garantija
  • Eiropas Savienības, EG atbilstības deklarācija saskaņā ar EK direktīvām
  • EurAsian Conformity
  • Regulatory Compliance Mark - Atbilstības deklarācija Austrālijai / Jaunzēlandei
  • Aizsargierīce atb. DIN EN 61643-11 vai IEC 61643-11
  • Pāreja no LPZ 1 uz 2
  • Installation electrotechnical expertise
  • Tālvadības signalizācija
  • CO₂ pēdas nospiedums (PCF)
  • Iepakojums bez plastmasas
  • Iepakojums pilnībā no otrreiz pārstrādāta kartona
Tehniskie dati

Tehniskie dati

Aizsardzības līmenis [L-N] ≤1,7
Aizsardzības veids IP20
Atbildes laiks <25 ns
Atļaujas VDE, KEMA, UL, ÖVE
Atlikušais spriegums [L-N] @ 1 kA 1,2 kV
Atlikušais spriegums [L-N] @ 5 kA 1,4 kV
Augstākais ilgtermiņa spriegums AC 385 V
Augstākais pastāvīgais spriegums (L-N) 385 V
CO2 pēdas nospiedums (GWP) no šūpuļa līdz vārtiem 2,0565 kg CO2e / 1 Gabals
Ekspluatācijas temperatūra maks. 80 °C
Ekspluatācijas temperatūra min. -40 °C
Elastīgo vadu šķērsgriezums (smalkās stieples) maks. 35 mm²
Elastīgo vadu šķērsgriezums (smalkās stieples) maks. 2 AWG
Elastīgo vadu šķērsgriezums (smalkās stieples) min. 16 AWG
Elastīgo vadu šķērsgriezums (smalkās stieples) min. 1,5 mm²
FM kontakti Pārslēgs
Gaisa mitrums maks. 95 %
Gaisa mitrums min. 5 %
Griezes moments 4 Nm
Ierīces signalizācija optisks
Impulsu strāva novadītājā (8/20 µs) [kopējā] 160 kA
Integrēta aizsardzība pie ieejas
Īssavienojuma izturība pie maksimumstrāvas aizsardzības tīkla pusē 50 kA eff
Izmantošanas temperatūras diapazons maks. 80 °C
Izmantošanas temperatūras diapazons min. -40 °C
Izmērs 385V
Izpūtošs
Izturīgs pret īssavienojumu
Komutācijas jauda AC 230 V; 0,5 A
Komutācijas jauda DC 230 V; 0,1 A / 75 V; 0,5 A
Korpusa materiāls, pārsprieguma aizsardzības komponenti PA UL 94 V-0
Maksimālā aizsardzība pie ieejas 160 A
Maksimālā impulsu strāva novadītājā (8/20 μs) 40 kA
Maksimālā impulsu strāva novadītājā (8/20 μs) [L-N] 40 kA
Maksimumstrāvas aizsardzība tīkla pusē 160 A gL/gG
Minimālais attālums 1,5 mm
Montāžas veids Montāžas sliede 35 mm
Nominālā noplūdes strāva (8/20 µs) 20 kA
Nominālā noplūdes strāva (8/20 µs) [L-N] 20 kA
Nominālais spriegums AC (50/60 Hz) 350 V
Pieslēguma diametrs, FM skavas maks. 16 AWG
Pieslēguma diametrs, FM skavas maks. 1,5 mm²
Pieslēguma diametrs, FM skavas min. 0,5 mm²
Pieslēguma diametrs, FM skavas min. 21 AWG
Polu izpildījums 4
Polu skaits 4
SPD atb. EN 61643-11 Tips 2
SPD atb. IEC 61643-1 II klase
SPD saskaņā ar UL 1449 4. tips
Tālvadības signalizācija
Tīkla tips citi
Tīkla tips TN
Tīkla tips TN-C-S
Tīkla tips TN-S
Tipa 2 pārbaudes klase
TOV spriegums [L-N] – bezatteices režīms – 120 min 670 V
TOV spriegums [L-N] – iztursprieguma režīms – 5 s 510 V
Vadu šķērsgriezums nekustīgs (viena/vairākas stieples) maks. 35 mm²
Vadu šķērsgriezums nekustīgs (viena/vairākas stieples) maks. 2 AWG
Vadu šķērsgriezums nekustīgs (viena/vairākas stieples) min. 16 AWG
Vadu šķērsgriezums nekustīgs (viena/vairākas stieples) min. 1,5 mm²
Visi tipi

Visi tipi

Tips Polu izpildījums Augstākais ilgtermiņa spriegums AC Aizsardzības veids Preces Nr. Daudzums mazākā pārd. vien.
V20-2+FS-385 2 385 V IP20 5095302
1 Gabals
V20-3+FS-385 3 385 V IP20 5095303
1 Gabals
V20-4+FS-385 4 385 V IP20 5095304
1 Gabals
Lejupielādes

Lejupielāde

Lejupielāde

ES Atbilstības deklarācija V20-4+FS-385 / 5095304 , 0.13MB , pdf
Lejupielāde

V20-4+FS-385 / 5095304
Lejupielāde