Pārspriegumaizsardzība LED sistēmai 230 V IP65

Preces Nr. 5092478 | EAN 4012196439034

5092478 / ÜSM-LED 230-65
1+N/PE
255 V
IP65
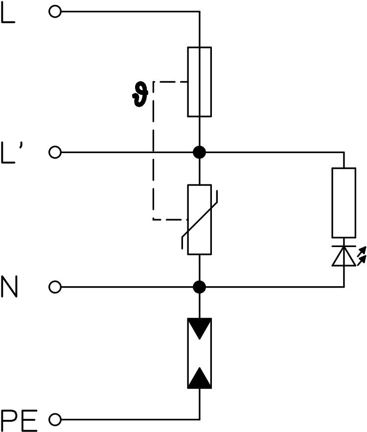
Produkta apraksts
Produkta apraksts
Pārsprieguma aizsargierīces modulis, tips 2 + 3, atb. DIN EN 61643-11, 230/400 V tīkliem.
Paredzēts LED apgaismojuma un LED dzinēja aizsardzībai.

• Ar optisku funkcijas indikatoru
• Neliels izmērs uzstādīšanai masta pieslēgšanas kārbā
• IP 65 un ar 25 cm pieslēguma vadu
• 1+NPE aizsardzības shēma ar maksimālo 20 kA novadīšanas spēju
• Pārsprieguma ierobežojums līdz 1300 V vai 1000 V @ 5 kA
• Ar lampiņas izslēgšanos kļūmes gadījumā vai bez tās

Lietojums: universāls lietojums visām apgaismojuma sistēmām
Elektronisko iekārtu, piem., LED lampu aizsardzībai pret pārspriegumu.
  • 5 gadu garantija
  • Eiropas Savienības, EG atbilstības deklarācija saskaņā ar EK direktīvām
  • EurAsian Conformity
  • Pāreja no LPZ 1 līdz 3
  • Aizsargierīce atb. DIN EN 61643-11 vai IEC 61643-11
  • Installation electrotechnical expertise
  • CO₂ pēdas nospiedums (PCF)
Tehniskie dati

Tehniskie dati

Aizsardzības līmenis [L-N] ≤1,3
Aizsardzības veids IP65
Atbildes laiks <25 ns
Augstākais ilgtermiņa spriegums AC 255 V
Augstākais pastāvīgais spriegums (L-N) 255 V
Augstākais pastāvīgais spriegums (N-PE) 255 V
CO2 pēdas nospiedums (GWP) no šūpuļa līdz vārtiem 0,0131 kg CO2e / 1 Gabals
Ekspluatācijas temperatūra maks. 80 °C
Ekspluatācijas temperatūra min. -40 °C
Ierīces signalizācija optisks
Impulsu strāva novadītājā (8/20 µs) [kopējā] 20 kA
Integrēta aizsardzība pie ieejas
Izmantošanas temperatūras diapazons maks. 80 °C
Izmantošanas temperatūras diapazons min. -40 °C
Izmērs 230V
Izpildījums 1+NPE
Izturīgs pret īssavienojumu
LPZ 2→3
Maksimālā aizsardzība pie ieejas 16 A
Maksimālā impulsu strāva novadītājā (8/20 μs) 20 kA
Maksimālā impulsu strāva novadītājā (8/20 μs) [L-N] 20 kA
Maksimālā impulsu strāva novadītājā (8/20 μs) [N-PE] 20 kA
Maksimumstrāvas aizsardzība tīkla pusē 16
Montāžas veids Citi
Nominālā noplūdes strāva (8/20 µs) 10 kA
Nominālā noplūdes strāva (8/20 µs) [L-N] 10 kA
Nominālā noplūdes strāva (8/20 µs) [N-PE] 10 kA
Nominālais spriegums AC (50/60 Hz) 230 V
OBO_Nominālā noslogojuma strāva (ieejas/izejas spaile) 16 A
Pieslēguma kabeļa garums 0,25 m
Polu izpildījums 1+N/PE
SPD atb. EN 61643-11 Tips 2+3
SPD atb. IEC 61643-1 II+III klase
Tālvadības signalizācija
Tīkla tips citi
Tipa 2 pārbaudes klase
Tipa 3 pārbaudes klase
Visi tipi

Visi tipi

Tips Polu izpildījums Augstākais ilgtermiņa spriegums AC Aizsardzības veids Preces Nr. Daudzums mazākā pārd. vien.
ÜSM-LED 230-65 1+N/PE 255 V IP65 5092478
25 Gabals
Lejupielādes

Lejupielāde

ES Atbilstības deklarācija ÜSM-LED 230-65 / 5092478 , 0.13MB , pdf
Lejupielāde

ÜSM-LED 230-65 / 5092478
Lejupielāde