Pārspriegumaizsardzības modulis ÜSM-10-230l1P-0

Preces Nr. 5092420 | EAN 4012196426713

5092420 / ÜSM-10-230I1P-0
1
255 V
IP20
Produkta apraksts
Produkta apraksts
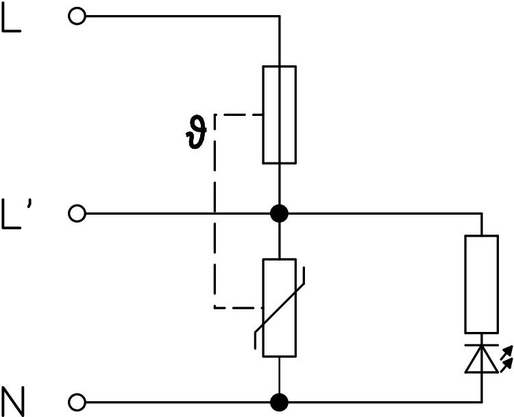
Pārsprieguma aizsargierīces modulis, tips 2 + 3, atb. DIN EN 61643-11, 230/400 V tīkliem.

Paredzēts elektronisko ierīču, piem., LED dziņu, aizsardzībai.



• ar darbības indikatoru un slodzes ķēdes atvienošanu SPD atteices gadījumā
• neliels izmērs uzstādīšanai masta pieslēgšanas kārbā vai pirms dziņa
• aizsardzības shēma ar maksimālu 10 kA novadīšanas spēju
• pārsprieguma samazinājums zem 1300 V (aizsardzības līmenis)
• gaismekļiem ar aizsardzības izolāciju (SK II), bez PE pieslēguma

Pielietojums: kabeļu pārejas kārbās, nozarkārbās, kabeļu kanālos, kā arī zemgrīdas sistēmās
Elektronisko iekārtu, piem., LED lampu aizsardzībai pret pārspriegumu.
  • 5 gadu garantija
  • Eiropas Savienības, EG atbilstības deklarācija saskaņā ar EK direktīvām
  • EurAsian Conformity
  • Pāreja no LPZ 1 līdz 3
  • Aizsargierīce atb. DIN EN 61643-11 vai IEC 61643-11
  • Installation electrotechnical expertise
  • CO₂ pēdas nospiedums (PCF)
  • Iepakojums bez plastmasas
Tehniskie dati

Tehniskie dati

Aizsardzības līmenis [L-N] ≤1300
Aizsardzības veids IP20
Atbildes laiks <25 ns
Augstākais ilgtermiņa spriegums AC 255 V
Augstākais pastāvīgais spriegums (L-N) 255 V
Augstākais pastāvīgais spriegums (N-PE) 255 V
Augstums 21 mm
CO2 pēdas nospiedums (GWP) no šūpuļa līdz vārtiem 0,0443 kg CO2e / 1 Gabals
Ekspluatācijas temperatūra maks. 80 °C
Ekspluatācijas temperatūra min. -40 °C
Garums 155 mm
Ierīces signalizācija optisks
Izmantošanas temperatūras diapazons maks. 80 °C
Izmantošanas temperatūras diapazons min. -40 °C
Izmērs 230V
Izpildījums 1-pola, bez PE, paredzēts SK II
LPZ 1→2
Maksimālā aizsardzība pie ieejas 16 A
Maksimālā impulsu strāva novadītājā (8/20 μs) 10 kA
Maksimālā impulsu strāva novadītājā (8/20 μs) [L-N] 10 kA
Maksimālā impulsu strāva novadītājā (8/20 μs) [N-PE] 10 kA
Maksimumstrāvas aizsardzība tīkla pusē 16
Montāžas veids Citi
Nominālā noplūdes strāva (8/20 µs) 5 kA
Nominālā noplūdes strāva (8/20 µs) [L-N] 5 kA
Nominālā noplūdes strāva (8/20 µs) [N-PE] 5 kA
Nominālais spriegums AC (50/60 Hz) 230 V
OBO_Nominālā noslogojuma strāva (ieejas/izejas spaile) 16 A
Pieslēguma kabeļa garums 0,09 m
Platums 40 mm
Polu izpildījums 1
SPD atb. EN 61643-11 Tips 2+3
SPD atb. IEC 61643-1 II+III klase
Tipa 2 pārbaudes klase
Tipa 3 pārbaudes klase
Visi tipi

Visi tipi

Tips Polu izpildījums Augstākais ilgtermiņa spriegums AC Aizsardzības veids Preces Nr. Daudzums mazākā pārd. vien.
ÜSM-10-230I1P-0 1 255 V IP20 5092420
1 Gabals
Lejupielādes

Lejupielāde

ES Atbilstības deklarācija ÜSM-10-230I1P-0 / 5092420 , 0.13MB , pdf
Lejupielāde

ÜSM-10-230I1P-0 / 5092420
Lejupielāde