- Produkta apraksts
-
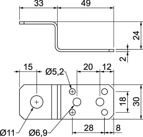
Produkta apraksts• Ar 1 pieslēguma atveri Ø 11 mm
• 4 stiprināšanas atveres Ø 5,2 mm
• 2 stiprināšanas atveres Ø 6,9 mm
-
- Tehniskie dati
-
CO2 pēdas nospiedums (Product Carbon Footprint)
CO2 pēdas nospiedums (GWP) no šūpuļa līdz vārtiem 0,0073 kg CO2e / 1 Gabals Izmērs 82x30x24 Materiāls Alumīnijs - Visi tipi
- Lejupielādes
-
Datu lapa 287 / 5320704 , 0.09MB , pdfVadlīnijas Zibensaizsardzības vadlīnijās , 2.10MB , pdfES Atbilstības deklarācija 287 / 5320704 , 0.06MB , pdfREACH Atbilstības deklarācija 287 / 5320704 , 0.12MB , pdfRoHS Atbilstības deklarācija 287 / 5320704 , 0.12MB , pdf
Latvija - Latviešu Valoda