Protection-Set MCD + V20, 3 polu, ar tālvadības signalizāciju

Preces Nr. 5089757 | EAN 4012195816614

5089757 / PS3-B+C-320+FS
3
320 V
IP20
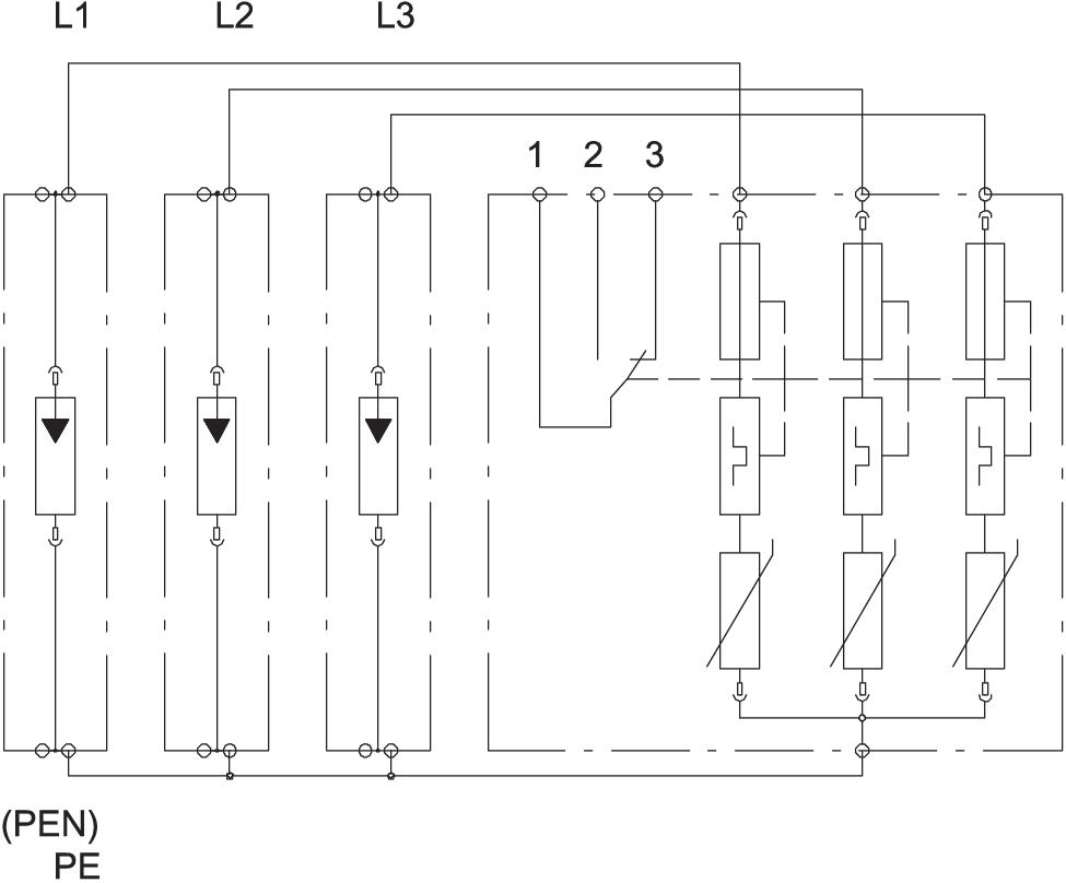
Produkta apraksts
Produkta apraksts
Protection-Set, zibensaizsardzības un pārspriegumaizsardzības novadītāju kombinācija, tips 1+2

• Zibensaizsardzības potenciālu izlīdzināšanai atb VDE 0185-305 (IEC 62305)
• Zibensizlādes strāvas novadīšanas spēja līdz 50 kA (10/350) katram polam
• Novadītājs, iespraužams, ar savienojuma tiltiem, pieslēgumu spailes ir marķētas
• Iekapsulēti, dzirksteles neizvadoši novadītāji ievietošanai sadalītāju korpusos
 
Pielietojums: mobilo sakaru sistēmās un industriālos objektos ar īpašām prasībām.
  • Pārbaudīta ar zibensizlādes strāvu
  • 5 gadu garantija
  • Eiropas Savienības, EG atbilstības deklarācija saskaņā ar EK direktīvām
  • EurAsian Conformity
  • 230/400 V sistēma
  • No tipa 1 un tipa 2 kombinēta aizsargierīce
  • Pāreja no LPZ 0 līdz 2
  • Tālvadības signalizācija
  • CO₂ pēdas nospiedums (PCF)
  • Iepakojums bez plastmasas
  • Iepakojums pilnībā no otrreiz pārstrādāta kartona
Tehniskie dati

Tehniskie dati

Aizsardzības līmenis [L-N] ≤1,7
Aizsardzības veids IP20
Atbildes laiks <25 ns
Augstākais ilgtermiņa spriegums AC 320 V
Augstākais pastāvīgais spriegums (L-N) 255 V
Augstākais pastāvīgais spriegums (N-PE) 255 V
CO2 pēdas nospiedums (GWP) no šūpuļa līdz vārtiem 7,9973 kg CO2e / 1 Gabals
Ekspluatācijas temperatūra maks. 80 °C
Ekspluatācijas temperatūra min. -40 °C
Ierīces signalizācija optisks
Impulsu strāva novadītājā (8/20 µs) [kopējā] 100 kA
Īssavienojuma izturība 25 kA
Īssavienojuma izturība pie maksimumstrāvas aizsardzības tīkla pusē 25 kA
Izmantošanas temperatūras diapazons maks. 80 °C
Izmantošanas temperatūras diapazons min. -40 °C
Izmērs 320V
Izpildījums 3 polu; 320V
LPZ 0→2
Maksimālā aizsardzība pie ieejas 125 A
Maksimālā impulsu strāva novadītājā (8/20 μs) 100 kA
Maksimumstrāvas aizsardzība tīkla pusē 125
Nominālā noplūdes strāva (8/20 µs) 100 kA
Nominālais spriegums AC (50/60 Hz) 230 V
Polu izpildījums 3
SPD atb. EN 61643-11 Tips 1+2
SPD atb. IEC 61643-1 I+II klase
Tālvadības signalizācija
Vadu šķērsgriezums nekustīgs (viena/vairākas stieples) maks. 50 mm²
Vadu šķērsgriezums nekustīgs (viena/vairākas stieples) min. 10 mm²
Zibens impulsa strāva (10/350) [kopējā] 100 kA
Zibens impulsa strāva (10/350 μs) 50 kA
Visi tipi

Visi tipi

Tips Polu izpildījums Augstākais ilgtermiņa spriegums AC Aizsardzības veids Preces Nr. Daudzums mazākā pārd. vien.
PS3-B+C-320+FS 3 320 V IP20 5089757
1 Gabals
Lejupielādes

Lejupielāde

Lejupielāde
Lejupielāde
Lejupielāde

Lejupielāde
Lejupielāde

PS3-B+C-320+FS / 5089757
Lejupielāde