Protection-Set MCD + V20, 3 polu + NPE ar tālvadības signalizāciju

Preces Nr. 5089763 | EAN 4012195405559

5089763 / PS4-B+C TNS+FS
3+N/PE
255 V
IP20
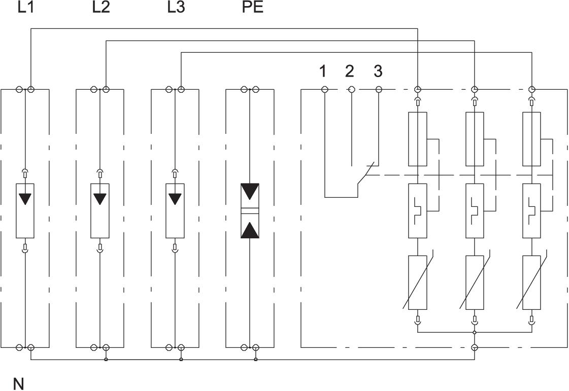
Produkta apraksts
Produkta apraksts
Protection Set, zibensaizsardzības un pārsprieguma novadītājs, tips 1+2


• Caurlaides spēja 100 kA 10/350 µs BET pārbaudīts
• Samontēts un gatavs pieslēgšanai, ar pārvienojumiem, marķētas pieslēguma spailes
• Ar tālvadības signalizāciju, bezpotenciāla saslēdzējkontaktu, funkciju kontrolei
• Lietošanai TN-S un TT tīkla sistēmā

Norādījums: maks. iepriekšējais drošinātājs (nepieciešams tikai tad, ja tīklā jau nav uzstādīts) 125 A gL/gG.
  • Pārbaudīta ar zibensizlādes strāvu
  • 5 gadu garantija
  • Eiropas Savienības, EG atbilstības deklarācija saskaņā ar EK direktīvām
  • EurAsian Conformity
  • 230/400 V sistēma
  • No tipa 1 un tipa 2 kombinēta aizsargierīce
  • Pāreja no LPZ 0 līdz 2
  • Tālvadības signalizācija
  • CO₂ pēdas nospiedums (PCF)
  • Iepakojums bez plastmasas
  • Iepakojums pilnībā no otrreiz pārstrādāta kartona
Tehniskie dati

Tehniskie dati

Aizsardzības veids IP20
Atbildes laiks <25 ns
Augstākais ilgtermiņa spriegums AC 255 V
Augstākais pastāvīgais spriegums (L-N) 255 V
Augstākais pastāvīgais spriegums (N-PE) 255 V
CO2 pēdas nospiedums (GWP) no šūpuļa līdz vārtiem 11,0412 kg CO2e / 1 Gabals
Ekspluatācijas temperatūra maks. 85 °C
Ekspluatācijas temperatūra min. -40 °C
Ierīces signalizācija optisks
Impulsu strāva novadītājā (8/20 µs) [kopējā] 100 kA
Īssavienojuma izturība 25 kA
Īssavienojuma izturība pie maksimumstrāvas aizsardzības tīkla pusē 25 kA
Izmantošanas temperatūras diapazons maks. 85 °C
Izmantošanas temperatūras diapazons min. -40 °C
Izmērs 255V
Izpildījums 3+1 pola ar FS; 255V
Izpūtošs
LPZ 0→2
Maksimālā aizsardzība pie ieejas 125 A
Maksimālā impulsu strāva novadītājā (8/20 μs) 100 kA
Maksimumstrāvas aizsardzība tīkla pusē 125
Montāžas veids Montāžas sliede 35 mm
Nominālā noplūdes strāva (8/20 µs) 50 kA
Nominālais spriegums AC (50/60 Hz) 230 V
Polu izpildījums 3+N/PE
Sekundārās strāvas dzēšanas spēja (ef) [N-PE] 25 kA
SPD atb. EN 61643-11 Tips 1+2
SPD atb. IEC 61643-1 I+II klase
Tālvadības signalizācija
Tīkla tips citi
Vadu šķērsgriezums nekustīgs (viena/vairākas stieples) maks. 50 mm²
Vadu šķērsgriezums nekustīgs (viena/vairākas stieples) min. 10 mm²
Zibens impulsa strāva (10/350) [kopējā] 100 kA
Zibens impulsa strāva (10/350 μs) 50 kA
Visi tipi

Visi tipi

Tips Polu izpildījums Augstākais ilgtermiņa spriegums AC Aizsardzības veids Preces Nr. Daudzums mazākā pārd. vien.
PS4-B+C TNS+FS 3+N/PE 255 V IP20 5089763
1 Gabals
Lejupielādes

Lejupielāde

Lejupielāde

Lejupielāde
Lejupielāde

Šim produktam nav pieejami preču apraksti