Quick apskava, melna

Preces Nr. 2149583 | EAN 4012195617051

Produkta apraksts
Produkta apraksts
Virsapmetuma apskava metrisko tērauda apšuvuma cauruļu, vieglu un smagu izolācijas cauruļu, kā arī elektroinstalācijas caurules Quick-Pipe ievietošanai. Universāla piestiprināšanas iespēja pie sienas un griestiem telpās un aizsargātās vietās ārpus telpām. Ar garenu atveri novietošanai malā, veicot montāžu ar kokskrūvi vai iedzenamu dībeli. Montāža pie caurules bez instrumentiem. Viena ar otru sarindojamas arī ar OBO Multi-Quick vai starQuick apskavu. Izmēru M16 - M32 var uzskrūvēt uz vītnes M6. Piestiprināšanas attālums 50–60 cm, maks. izvilkšanas pretestības vērtības F apstākļos ar telpas temperatūru 20 °C norādītas tabulā.
  • Elektrotehnikas, elektronikas un informācijas tehnoloģiju apvienība, Vācija
  • halogēnu nesaturoši; hloru, fluoru un bromu nesaturoši
  • Eiropas Savienības, EG atbilstības deklarācija saskaņā ar EK direktīvām
  • UKCA atbilstības deklarācija
  • Vītne, metriska
  • CO₂ pēdas nospiedums (PCF)
Tehniskie dati

Tehniskie dati

Ar ieliktni
CO2 pēdas nospiedums (GWP) no šūpuļa līdz vārtiem 0,0894 kg CO2e / 1 Gabals
Izmērs M63
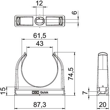
Izmērs A 87,3 mm
Izmērs B 20 mm
Izmērs C 43 mm
Izmērs D 61,5 mm
Izmērs e 12 mm
Izmērs F 6 mm
Izmērs H 74,5 mm
Izmērs H 15 mm
Izvilkšanas pretestības vērtības 175 N
Kabeļu/ cauruļu skaits 1
Krāsa melns; RAL 9005
Materiāls Polipropilēns
Nesatur halogēnus
Nominālais lielums/teksts M63
slēgta
Stiprinājuma veids Caurums skrūvēšanai
UV izturīgs
Virknējams
Visi tipi

Visi tipi

Tips Nominālais lielums/teksts Preces Nr. Daudzums mazākā pārd. vien.
2955 M16 SW M16 2149559
100 Gabals
2955 M20 SW M20 2149563
100 Gabals
2955 M25 SW M25 2149567
100 Gabals
2955 M32 SW M32 2149571
50 Gabals
2955 M40 SW M40 2149575
50 Gabals
2955 M50 SW M50 2149579
25 Gabals
2955 M63 SW M63 2149583
20 Gabals
Lejupielādes

Lejupielāde

Lejupielāde
Lejupielāde

ES Atbilstības deklarācija 2955 M63 SW / 2149583 , 0.13MB , pdf
Lejupielāde
Apvienotās Karalistes atbilstības deklarācija 2955 M63 SW / 2149583 , 0.10MB , pdf

2955 M63 SW / 2149583
Lejupielāde