Savienojuma plate, T formas FT

Preces Nr. 1124655 | EAN 4012195486077

1124655 / GMS 4 VP T FT
200 mm
40 mm
Produkta apraksts
Produkta apraksts
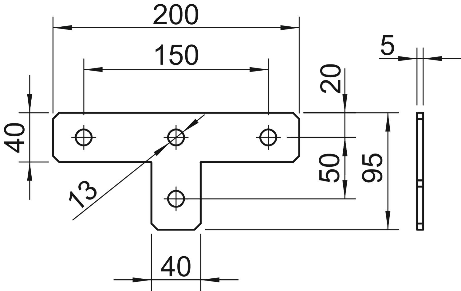
Savienojuma plate ar 4 atverēm profila sliežu 41 x 41 mm un 41 x 21 mm T veida savienojuma izveidošanai.
  • Eiropas Savienības, EG atbilstības deklarācija saskaņā ar EK direktīvām
  • CO₂ pēdas nospiedums (PCF)
Tehniskie dati

Tehniskie dati

Ar skrūvju piederumiem
Augstums 5 mm
Cauruma lielums 13 mm
CO2 pēdas nospiedums (GWP) no šūpuļa līdz vārtiem 1,2466 kg CO2e / 1 Gabals
Garums 200 mm
Izmērs 200x95x40x5
Izpildījums ar caurejošu perforējumu 13 mm
Materiāla biezums 5 mm
Materiāls Tērauds
Nerūsējošs tērauds, kodināts
Piemērots profila formām C veida profils
Platums 40 mm
Virsma karsti cinkots
Visi tipi

Visi tipi

Tips Garums Platums Preces Nr. Daudzums mazākā pārd. vien.
GMS 4 VP T FT 200 mm 40 mm 1124655
10 Gabals
Lejupielādes

Lejupielāde

Lejupielāde

GMS 4 VP T FT / 1124655
Lejupielāde