Vidējas un augstas jutības aizsardzība FLD divdzīslu sistēmām 24 V

Preces Nr. 5098611 | EAN 4012195578383

2
Spaile
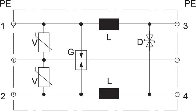
Produkta apraksts
Produkta apraksts
Pārsprieguma aizsargierīce lietošanai ar mērīšanas, vadības un regulēšanas tehniku

• Vidējas un augstas jutības aizsardzība
• Standarta izpildījums dubultdzīslas sistēmām
• Divpakāpju aizsardzības shēma
• Ar vienkārši montējamām pieslēguma spailēm bez skrūvēm
• Ar vietas ziņā ekonomisku 17,5 mm režģa izmēru
• Ar induktīvu atsaisti gareniskajā atzarojumā

Pielietojums: universāla izmantošana uz 35 mm DIN sliedes jebkura tirdzniecībā pieejama sadalītāja korpusā.
  • Underwriters Laboratories Inc., ASV
  • 5 gadu garantija
  • Eiropas Savienības, EG atbilstības deklarācija saskaņā ar EK direktīvām
  • Pāreja no LPZ 0 līdz 3
  • Mērīšanas, vadības un regulēšanas iekārtas
  • Installation electrotechnical expertise
  • CO₂ pēdas nospiedums (PCF)
  • Iepakojums bez plastmasas
Tehniskie dati

Tehniskie dati

Aizsardzības līmenis dzīsla–dzīsla <60 V
Aizsardzības līmenis dzīsla–zeme <600 V
Aizsardzības veids IP20
Atļaujas UL
Augstākais ilgtermiņa spriegums AC 19 V
Augstākais ilgtermiņa spriegums DC 28 V
CO2 pēdas nospiedums (GWP) no šūpuļa līdz vārtiem 0,298 kg CO2e / 1 Gabals
Ekrāna pieslēgums
Ievietotā slāpēšana (Insertion loss) 3 dB @ 180 kHz dB
Impulsstrāva 1,5 kA
Impulsu strāvas caurlaidība, stieple-stieple C2: 5 kV / 2,5 kA (8/20µs)
Impulsu strāvas caurlaidība, stieple–zeme C2: 10 kV / 5 kA (8/20µs)
Izmantošanas temperatūras diapazons maks. 80 °C
Izmantošanas temperatūras diapazons min. -40 °C
Izmērs 24V AC
Izolācijas pretestība >1 MΩ
Kapacitāte (dzīsla-dzīsla) <10 nF
Kapacitāte (dzīsla-zemējums) <1 nF
Kategorie 1. + 2. +3. tips/D1 + C2 + C1
Kopējā impulsu strāva novadītājā (10/350) D1: 3 kA
Kopējā impulsu strāva novadītājā (8/20) 10 kA
LPZ 0→3
Nominālā noplūdes strāva (8/20 µs) 5 kA
Nominālā noslogojuma strāva, AC 0,7 A
Nominālā noslogojuma strāva, DC 1 A
Pārbaudes standarts IEC 61643-21
Pieslēguma diametrs, elastīgs maks. 2,5 mm²
Pieslēguma diametrs, elastīgs min. 0,14 mm²
Pieslēguma diametrs, vairākdzīslu maks. 2,5 mm²
Pieslēguma diametrs, vairākdzīslu min. 0,14 mm²
Polu skaits 2
Robežfrekvence 0,18 MHz
Sadales vienība TE (17,5 mm) 1
SPD atb. I + II + III klase/D1 + C2 + C1
Sprādziendroša konstrukcija
Spraudsistēma Spaile
Stacionārā pieslēguma šķērsgriezums maks. 2,5 mm²
Stacionārā pieslēguma šķērsgriezums min. 0,14 mm²
Tālvadības signālkontakts
Virknes induktivitāte katram vadam 120 µH ± 20 %
Zemējums ar: Spaile
Visi tipi

Visi tipi

Tips Polu skaits Augstākais ilgtermiņa spriegums AC Augstākais ilgtermiņa spriegums DC Spraudsistēma Preces Nr. Daudzums mazākā pārd. vien.
FLD 24 2 19 V 28 V Spaile 5098611
1 Gabals
FLD 48 2 37 V 53 V Spaile 5098630
1 Gabals
FLD 110 2 86 V 122 V Spaile 5098646
1 Gabals
Lejupielādes

Lejupielāde

Lejupielāde

ES Atbilstības deklarācija FLD 24 / 5098611 , 0.13MB , pdf
Lejupielāde

Lejupielāde
Lejupielāde

FLD 24 / 5098611
Lejupielāde