Virknes aizsargierīce, 2 polu, 12 V izpildījums

Preces Nr. 5098415 | EAN 4012195787372

10,5 V
15 V
Spaile
Produkta apraksts
Produkta apraksts
Zibensstrāvas barjera ar testēšanas funkciju, modelis 12 V
 
• nominālā slodzes strāva 10 A
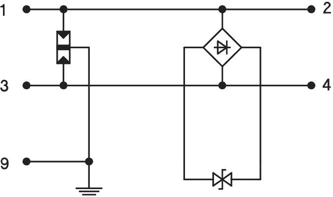
• aizsargierīce vairākdzīslu sistēmām
• tieša ekranējuma zemējums un ar vienkārši montējamām savienošanas skavām bez skrūvēm
• ekonomisks montāžas platums – tikai 8,7 mm
• aizsardzības shēmu var testēt ar Life Control
• liels joslas platums – līdz 100 MHz
• UL reģistrēta (4DG1)
 
Lietojums: universāli lietojama uz 35 mm DIN sliedes jebkura tirdzniecībā pieejama sadalītāja korpusā.
  • Underwriters Laboratories Inc., ASV
  • 5 gadu garantija
  • Eiropas Savienības, EG atbilstības deklarācija saskaņā ar EK direktīvām
  • Mērīšanas, vadības un regulēšanas iekārtas
  • LifeControl
  • Pāreja no LPZ 0 līdz 3
  • Installation electrotechnical expertise
  • CO₂ pēdas nospiedums (PCF)
  • Iepakojums bez plastmasas
Tehniskie dati

Tehniskie dati

Aizsardzības līmenis dzīsla–dzīsla <55 V
Aizsardzības līmenis dzīsla–zeme <800 V
Aizsardzības veids IP20
Atļaujas UL
Augstākais ilgtermiņa spriegums AC 10,5 V
Augstākais ilgtermiņa spriegums DC 15 V
CO2 pēdas nospiedums (GWP) no šūpuļa līdz vārtiem 0,2794 kg CO2e / 1 Gabals
Ekrāna pieslēgums
Ekranējums tieši
Ierīces signalizācija salasāms
Ievietotā slāpēšana (Insertion loss) ≤3 dB
Impulsu strāvas caurlaidība, stieple-stieple C1: 0,5 kV / 0,25 kA (8/20µs)
Izmantošanas temperatūras diapazons maks. 80 °C
Izmantošanas temperatūras diapazons min. -40 °C
Izmērs 12V
Izolācijas pretestība >100 MΩ
Kapacitāte (dzīsla-dzīsla) <40 pF
Kategorie 1. + 2. +3. tips/D1 + C2 + C1
Kopējā impulsu strāva novadītājā (10/350) D1: 1 kA
Kopējā impulsu strāva novadītājā (8/20) 5 kA
LPZ 0→3
Nominālā noslogojuma strāva, AC 0,7 A
Nominālā noslogojuma strāva, DC 10 A
Nominālais spriegums 12 V
Pārbaudes standarts IEC 61643-21
Pieslēguma diametrs, elastīgs maks. 2,5 mm²
Pieslēguma diametrs, elastīgs min. 0,14 mm²
Pieslēguma diametrs, vairākdzīslu maks. 1,5 mm²
Pieslēguma diametrs, vairākdzīslu min. 0,14 mm²
Polu skaits 2
Robežfrekvence 100 MHz
SPD atb. I + II + III klase/D1 + C2 + C1
Spraudsistēma Spaile
Stacionārā pieslēguma šķērsgriezums maks. 2,5 mm²
Stacionārā pieslēguma šķērsgriezums min. 0,14 mm²
Zemējums ar: Montāžas sliede
Visi tipi

Visi tipi

Tips Polu skaits Augstākais ilgtermiņa spriegums AC Augstākais ilgtermiņa spriegums DC Spraudsistēma Preces Nr. Daudzums mazākā pārd. vien.
MDP-2 D-12-T-10 2 10,5 V 15 V Spaile 5098415
1 Gabals
MDP-4 D-12-T-10 4 10,5 V 15 V Spaile 5098419
1 Gabals
Piederumi

Sistēmas piederumi

Produkti Tips Preces Nr. Daudzums mazākā pārd. vien.
Zemējuma līste Zemējuma līste VB-MDP 10-MD 5098470
150 Gabals
Lejupielādes

Lejupielāde

Lejupielāde

ES Atbilstības deklarācija MDP-2 D-12-T-10 / 5098415 , 0.13MB , pdf
Lejupielāde

Lejupielāde
Lejupielāde

MDP-2 D-12-T-10 / 5098415
Lejupielāde