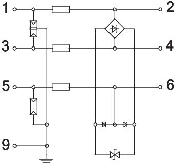
Virknes aizsargierīce, 3 polu, 48 V izpildījums

Preces Nr. 5098446 | EAN 4012195406907

41 V
58 V
Spaile
Produkta apraksts
Produkta apraksts
Zibensstrāvas barjera ar testēšanas funkciju, modelis 48 V
 
• nominālā slodzes strāva 0,58 A
• aizsargierīce vairākdzīslu sistēmām
• tieša ekranējuma zemējums un ar vienkārši montējamām savienošanas skavām bez skrūvēm
• ekonomisks montāžas platums – tikai 8,7 mm
• aizsardzības shēmu var testēt ar Life Control
• liels joslas platums – līdz 100 MHz
• UL reģistrēta (4DG1)
 
Lietojums: universāli lietojama uz 35 mm DIN sliedes jebkura tirdzniecībā pieejama sadalītāja korpusā.
  • Underwriters Laboratories Inc., ASV
  • 5 gadu garantija
  • Eiropas Savienības, EG atbilstības deklarācija saskaņā ar EK direktīvām
  • Mērīšanas, vadības un regulēšanas iekārtas
  • LifeControl
  • Pāreja no LPZ 0 līdz 3
  • Installation electrotechnical expertise
  • CO₂ pēdas nospiedums (PCF)
  • Iepakojums bez plastmasas
Tehniskie dati

Tehniskie dati

Aizsardzības līmenis dzīsla–dzīsla <95 V
Aizsardzības līmenis dzīsla–zeme <800 V
Aizsardzības veids IP20
Atļaujas UL
Augstākais ilgtermiņa spriegums AC 41 V
Augstākais ilgtermiņa spriegums DC 58 V
CO2 pēdas nospiedums (GWP) no šūpuļa līdz vārtiem 0,2595 kg CO2e / 1 Gabals
Drošības līmenis @ C1 <110 V
Ekrāna pieslēgums
Ekranējums tieši
Ierīces signalizācija salasāms
Ievietotā slāpēšana (Insertion loss) ≤3 dB
Impulsu strāvas caurlaidība, stieple-stieple C1: 0,5 kV / 0,25 kA (8/20µs)
Impulsu strāvas caurlaidība, stieple–zeme C2: 5 kV / 2,5 kA (8/20µs)
Izmantošanas temperatūras diapazons maks. 80 °C
Izmantošanas temperatūras diapazons min. -40 °C
Izmērs 48V
Izolācijas pretestība >100 MΩ
Kapacitāte (dzīsla-dzīsla) < 40 pF
Kategorie 1. + 2. +3. tips/D1 + C2 + C1
Kopējā impulsu strāva novadītājā (10/350) D1: 1,5 kA
Kopējā impulsu strāva novadītājā (8/20) 7,5 kA
LPZ 0→3
Nominālā noslogojuma strāva, AC 0,4 A
Nominālā noslogojuma strāva, DC 0,58 A
Nominālais spriegums 48 V
Novadītāja uzraudzība
Pārbaudes standarts IEC 61643-21
Pieslēguma diametrs, elastīgs maks. 2,5 mm²
Pieslēguma diametrs, elastīgs min. 0,14 mm²
Pieslēguma diametrs, vairākdzīslu maks. 1,5 mm²
Pieslēguma diametrs, vairākdzīslu min. 0,14 mm²
Polu skaits 3
Robežfrekvence 100 MHz
SPD atb. I + II + III klase/D1 + C2 + C1
Sprādziendroša konstrukcija
Spraudsistēma Spaile
Stacionārā pieslēguma šķērsgriezums maks. 2,5 mm²
Stacionārā pieslēguma šķērsgriezums min. 0,14 mm²
Tālvadības signālkontakts
Virknes pretestība katrai stieplei 2,35 Ω ± 5 %
Zemējums ar: Montāžas sliede
Visi tipi

Visi tipi

Tips Polu skaits Augstākais ilgtermiņa spriegums AC Augstākais ilgtermiņa spriegums DC Spraudsistēma Preces Nr. Daudzums mazākā pārd. vien.
MDP-2 D-48-T 2 41 V 58 V Spaile 5098442
1 Gabals
MDP-3 D-48-T 3 41 V 58 V Spaile 5098446
1 Gabals
MDP-4 D-48-T 4 41 V 58 V Spaile 5098450
1 Gabals
Piederumi

Sistēmas piederumi

Produkti Tips Preces Nr. Daudzums mazākā pārd. vien.
Zemējuma līste Zemējuma līste VB-MDP 10-MD 5098470
150 Gabals
Lejupielādes

Lejupielāde

Lejupielāde

ES Atbilstības deklarācija MDP-3 D-48-T / 5098446 , 0.13MB , pdf
Lejupielāde

Lejupielāde
Lejupielāde

MDP-3 D-48-T / 5098446
Lejupielāde