Piezīme: Šī prece vairs netiek ražota. Aktuālās preces varat atrast šeit: 2003702 / UP zemapmetuma ierīču savienojumu kārba 66

Zemapmetuma ierīču / savienojumu kārba

Preces Nr. 2003019 | EAN 4012195002314

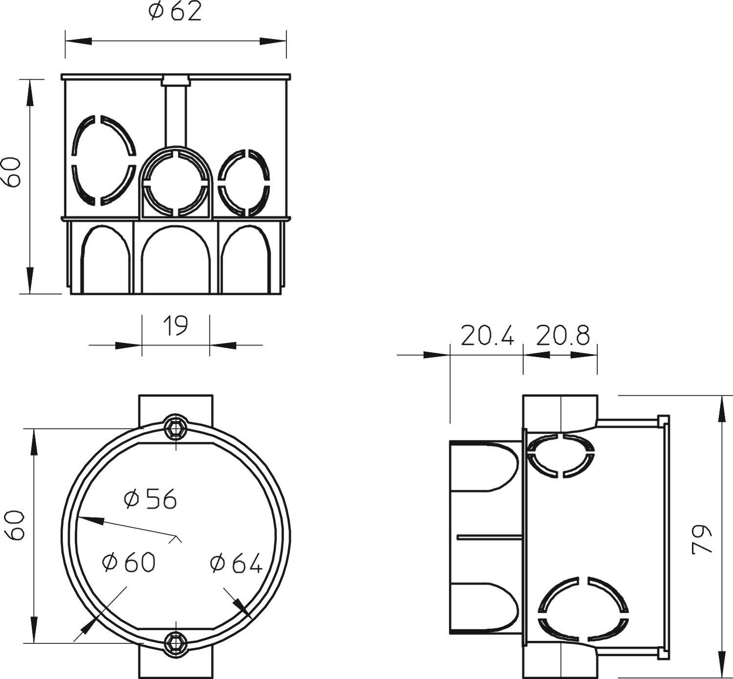
2003019 / UG 60 VD
60 mm
60 mm
20/25 mm
13
Produkta apraksts
Produkta apraksts
Ierīču/savienojuma kārba ar aizsardzību pret pārāk stipru pievilkšanu un garantētu, standartam atbilstošu kombinācijas attālumu 71 mm (atb. DIN 49 073-1) ar Snap fiksēšanas savienojumu. Izlaužamas atveres vadiem un caurulēm ar diametru Ø 20 mm un Ø 25 mm. Kombinējami spraišļu un skrūvsavienojumam, dziļi ievietojami apmetuma turētāji, ierīces skrūvju attālums 60 mm, ar 3,2 mm pašiegriezošām skrūvēm piestiprināmam skrūvējamam stiprinājumam, ar 2 skrūvju kupoliem bez skrūvēm, aizsardzības klase IP20.
  • Elektrotehnikas, elektronikas un informācijas tehnoloģiju apvienība, Vācija
  • STOWARZYSZENIE ELEKTRYKÓW POLSKICH, Polija
  • halogēnu nesaturoši; hloru, fluoru un bromu nesaturoši
  • Eiropas Savienības, EG atbilstības deklarācija saskaņā ar EK direktīvām
  • Diametrs 60 mm
  • CO₂ pēdas nospiedums (PCF)
Tehniskie dati

Tehniskie dati

Aizsardzības veids IP20
Aprīkojums bez
Ar naglas apskavu
Ar skrūvēm
Atveres veids Izlaužamas atveres vadiem un caurulēm ar diametru Ø 20 mm un Ø 25 mm
Augstums 60 mm
Balsti Tuneļa balsti
caurules diametram 20/25 mm
CO2 pēdas nospiedums (GWP) no šūpuļa līdz vārtiem 0,0588 kg CO₂e / 1 Gabals
Diametrs 60 mm
Diametrs iekšpusē 60 mm
Ekranizēts
Elektrosistēmu funkciju bez
Forma apaļš
Grīdas augstums min. 64 mm
Hermētisks
Ieliktņu skaits 1
Ierīces skrūvju attālums 60 mm
Ierīču stiprinājums skrūvēt vai nostiprināt ar spraisli
Ievads no aizmugures
Ievadu skaits 13
Izmērs Ø60mm, H60mm
Korpusa caurvada veids Izvirzījums
Krāsa melns
Materiāls Polistirols
Nominālais diametrs maks. 2,5 mm²
Nominālais diametrs min. 1,5 mm²
Nominālais spriegums 400 V
Plombējams
ugunsizturīgs atb. VDE 0471/DIN 695, daļa 2-1, pārbaudes temperatūra 650°C
Vāka nostiprināšana nav attiecināms
Vāks bez
Visi tipi

Visi tipi

Tips Augstums Diametrs caurules diametram Ievadu skaits Preces Nr. Daudzums mazākā pārd. vien.
UG 60 VD 60 mm 60 mm 20/25 mm 13 2003019
25 Gabals
Lejupielādes

Lejupielāde

Lejupielāde
Lejupielāde

UG 60 VD / 2003019
Lejupielāde