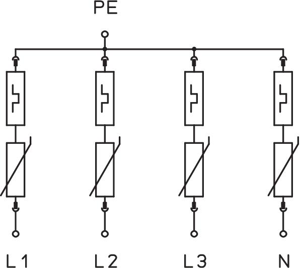
Zibensizlādes strāvas un pārsprieguma novadītājs, 4 polu

Preces Nr. 5093631 | EAN 4012195361909

280 V
IP20
Produkta apraksts
Produkta apraksts
Kombinēts novadītājs, zibens novadītājs un pārsprieguma novadītājs, tips 1+2, atb. DIN EN 61643-11.


• Zibensaizsardzības potenciālu izlīdzināšanai atb. VDE 0185-305 (IEC 62305)
• Zibensizlādes strāvas caurlaides spēja 12,5 kA (10/350) uz polu
• Piemērots TN-C sistēmām
• Ar Multibase apakšējo daļu ar Multi pieslēguma spailēm
• Pilnīgi nokomplektēta vienība, sastāv no augšējās un apakšējās daļas, pilnībā samontēta un gatava pieslēgšanai
• Novadītājs, iespraužams ar dinamisku atdalošo iekārtu
• Ar optisku funkciju indikatoru
•Aizsardzības līmenis < 1,3 kV
• Iekapsulēts, dzirksteles neizvadošs cinka oksīda varistoru novadītājs lietošanai sadalītāju korpusos
• Marķēti pieslēgumi

Lietojums: Zibensaizsardzības potenciālu izlīdzināšana ēkās arī ar klases III un IV ārējo zibensaizsardzības iekārtu, tirdzniecībā pieejamu sadalītāju korpusos.
* Pilns komplekts = augšējā un apakšējā daļa
  • 5 gadu garantija
  • Eiropas Savienības, EG atbilstības deklarācija saskaņā ar EK direktīvām
  • EurAsian Conformity
  • No tipa 1 un tipa 2 kombinēta aizsargierīce
  • Pāreja no LPZ 0 līdz 2
  • Multibase apakšējā daļa
  • CO₂ pēdas nospiedums (PCF)
  • Iepakojums bez plastmasas
Tehniskie dati

Tehniskie dati

Aizsardzības līmenis [L-N] ≤1,3
Aizsardzības veids IP20
Atbildes laiks <25 ns
Augstākais ilgtermiņa spriegums AC 280 V
CO2 pēdas nospiedums (GWP) no šūpuļa līdz vārtiem 1,6472 kg CO2e / 1 Gabals
Ekspluatācijas temperatūra maks. 80 °C
Ekspluatācijas temperatūra min. -40 °C
Ierīces signalizācija optisks
Impulsu strāva novadītājā (8/20 µs) [kopējā] 120 kA
Integrēta aizsardzība pie ieejas
Izmantošanas temperatūras diapazons maks. 80 °C
Izmantošanas temperatūras diapazons min. -40 °C
Izmērs 280V
Izpildījums 4 polu
Izpūtošs
LPZ 0→2
Maksimālā aizsardzība pie ieejas 125 A
Maksimālā impulsu strāva novadītājā (8/20 μs) 50 kA
Maksimumstrāvas aizsardzība tīkla pusē 125
Montāžas veids Montāžas sliede 35 mm
Nominālā noplūdes strāva (8/20 µs) 30 kA
Nominālā noplūdes strāva (8/20 µs) [L-N] 30 kA
Nominālais spriegums AC (50/60 Hz) 230 V
Polu izpildījums 4
Polu skaits 4
SPD atb. EN 61643-11 Tips 1+2
SPD atb. IEC 61643-1 I+II klase
Tālvadības signalizācija
Tīkla tips citi
Tīkla tips TN
Tīkla tips TN-C
Tīkla tips TN-C-S
Tīkla tips TN-S
Tīkla tips TT
Tīkla tips, cits
Tīkla tips, DC
Tīkla tips, IT
Vadu šķērsgriezums nekustīgs (viena/vairākas stieples) maks. 35 mm²
Vadu šķērsgriezums nekustīgs (viena/vairākas stieples) min. 2,5 mm²
Zibens impulsa strāva (10/350) [kopējā] 50 kA
Zibens impulsa strāva (10/350 μs) 12,5 kA
Visi tipi

Visi tipi

Tips Polu izpildījums Augstākais ilgtermiņa spriegums AC Aizsardzības veids Preces Nr. Daudzums mazākā pārd. vien.
V50-B+C 4 4 280 V IP20 5093631
1 Gabals
V50-B+C 3-280 3 280 V IP20 5093627
1 Gabals
Lejupielādes

Lejupielāde

Lejupielāde
Lejupielāde
Lejupielāde

Lejupielāde
Lejupielāde

Šim produktam nav pieejami preču apraksti