Kabeļu rene MKS-Magic® 110 A2

Preces Nr. 6059190 | EAN 4012195831150

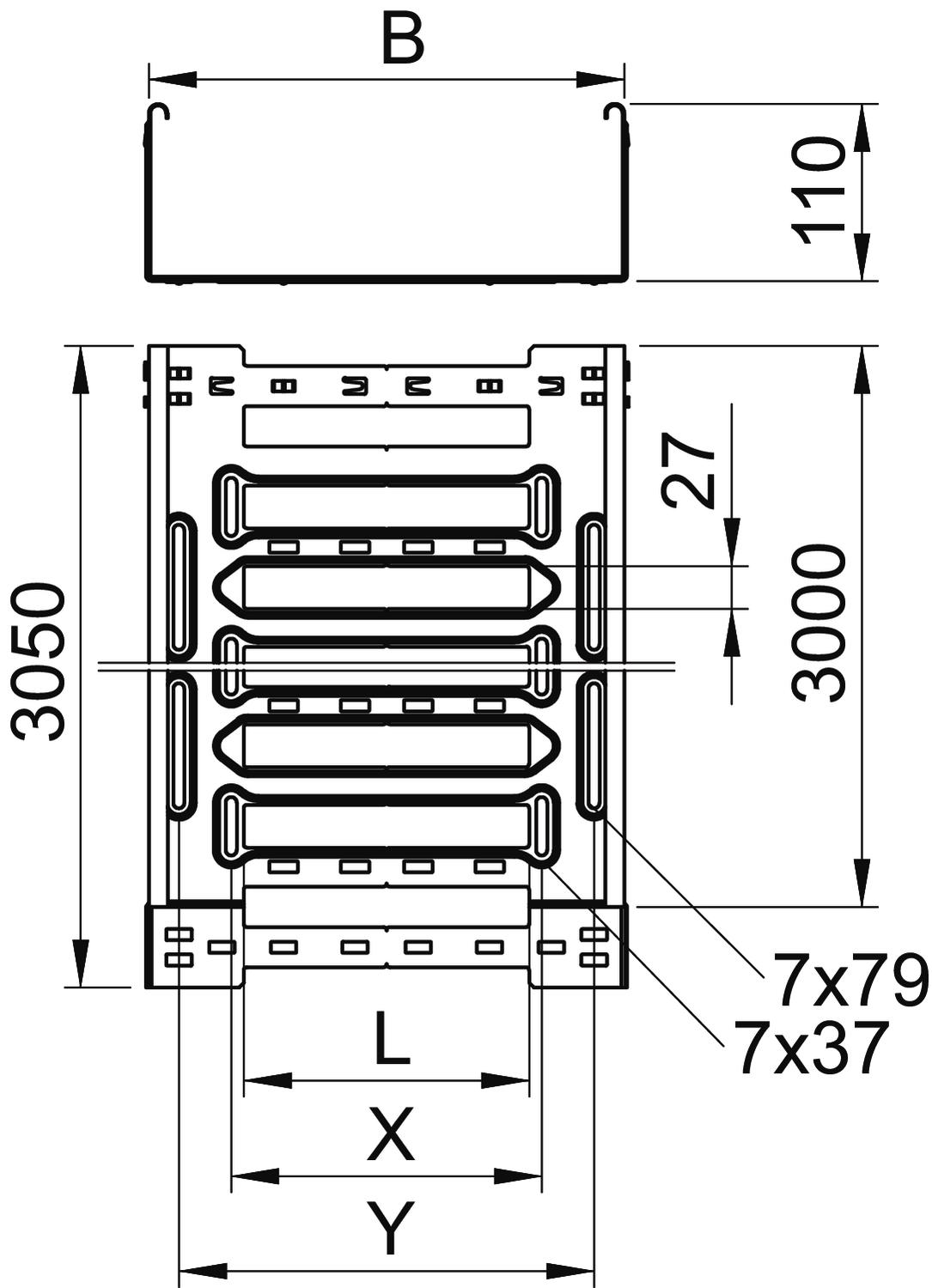
3050 mm
110 mm
1 mm
tērauda
Nerūsējošais tērauds 1.4301
neizolēts, apstrādāts
Produkta apraksts
Produkta apraksts
Kabeļu rene ar iebūvētu ātrās stiprināšanas sistēmu Kabeļu renes lietderīgais garums ir 3000 mm.

Kabeļu renes malās visā garumā ir 7 x 20 mm perforējums papildu savienošanas un montāžas elementu instalācijai.

Sākot ar kabeļu renes platumu 200 mm un 30% lielu perforēto daļu, piemērota izmantošanai zem ugunsdzēsības sprinkleriem saskaņā ar VdS direktīvu 2092.

Potenciālu izlīdzināšana visā garumā ir nodrošināta bez papildu būvdetaļām.

  • Elektrotehnikas, elektronikas un informācijas tehnoloģiju apvienība, Vācija
  • Eiropas Savienības, EG atbilstības deklarācija saskaņā ar EK direktīvām
  • UKCA atbilstības deklarācija
  • Produkta vides deklarācija (EPD)
  • CO₂ pēdas nospiedums (PCF)
Tehniskie dati

Tehniskie dati

Ar augšējo daļu
Augstums 110 mm
Balstu atstatums 1,5 m 2 kN/m
Balstu atstatums 2,0 m 1,5 kN/m
Balstu atstatums 2,5 m 1,07 kN/m
Balstu atstatums 3,0 m 0,7 kN/m
CO2 pēdas nospiedums (GWP) no šūpuļa līdz vārtiem 13,2277 kg CO2e / 1 Metrs
Derīgais šķērsgriezums 10800 mm²
Derīgais šķērsgriezums 108 cm²
Funkciju nodrošināšana
Gara laiduma izpildījums
Garums 3050 mm
Grīdā izveidotas atveres montāžas vajadzībām
Izmērs 110x100x3050
Izmērs B 100 mm
Izmērs L 30 mm
Izmērs y 62 mm
Kabeļu nesošās sistēmas savienotāju veids Automātiskas fiksācijas stiprinājums
Krāsa tērauda
Lietderīgais garums 3000 mm
Loksnes biezums 1 mm
Magnētiskā ekranējuma efektivitāte ar vāku 50 dB
Magnētiskā ekranējuma efektivitāte bez vāka 20 dB
Materiāls Nerūsējošais tērauds 1.4301
NATO perforācijas šablons
Nerūsējošs tērauds, kodināts
Noslogošanas testa tips saskaņā ar IEC 61537 II tips
Platums 100 mm
Sānu caurumi
Savienotāja izpildījums iebūvēts savienotājs
Virsma neizolēts, apstrādāts

Tehniskie dati

Slodzes diagramma, kabeļu rene, tips MKSM 110

Slodzes diagramma, kabeļu rene, tips MKSM 110
  • Pieļaujamais kabeļu renes/trepju noslogojums kN/m nereķinot slodzi instalācijas laikā Pieļaujamais kabeļu renes/trepju noslogojums kN/m nereķinot slodzi instalācijas laikā
  • Attālums starp balstiem, m Attālums starp balstiem, m
  • Profila izliece mm pie pieļaujamās slodzes kN/m Profila izliece mm pie pieļaujamās slodzes kN/m
  • Slodzes shēma pārbaudes laikā Slodzes shēma pārbaudes laikā
  • Slodzes līkne ar mm izteiktu kabeļu renes/trepju platumu Slodzes līkne ar mm izteiktu kabeļu renes/trepju platumu
  • Profila izlieces līkne atkarībā no balstu attāluma Profila izlieces līkne atkarībā no balstu attāluma
Visi tipi

Visi tipi

Tips Garums Platums Augstums Loksnes biezums Funkciju nodrošināšana Krāsa Materiāls Virsma Preces Nr. Daudzums mazākā pārd. vien.
MKSM 110 A2 3050 mm 100 mm 110 mm 1 mm tērauda Nerūsējošais tērauds 1.4301 neizolēts, apstrādāts 6059190
3 m
MKSM 120 A2 3050 mm 200 mm 110 mm 1 mm tērauda Nerūsējošais tērauds 1.4301 neizolēts, apstrādāts 6059194
3 m
MKSM 130 A2 3050 mm 300 mm 110 mm 1 mm tērauda Nerūsējošais tērauds 1.4301 neizolēts, apstrādāts 6059196
3 m
MKSM 140 A2 3050 mm 400 mm 110 mm 1 mm tērauda Nerūsējošais tērauds 1.4301 neizolēts, apstrādāts 6059198
3 m
MKSM 150 A2 3050 mm 500 mm 110 mm 1 mm tērauda Nerūsējošais tērauds 1.4301 neizolēts, apstrādāts 6059200
3 m
MKSM 160 A2 3050 mm 600 mm 110 mm 1 mm tērauda Nerūsējošais tērauds 1.4301 neizolēts, apstrādāts 6059202
3 m
Piederumi

Sistēmas piederumi

Produkti Tips Preces Nr. Daudzums mazākā pārd. vien.
90° līkums 110 A2 90° līkums 110 A2 RB 90 110 A2 6036860
1 Gabals
Montāžas atzarojuma detaļa 110 A2 Montāžas atzarojuma detaļa 110 A2 RAA 110 A2 6042345
1 Gabals
T veida detaļa 110/100 A2 T veida detaļa 110/100 A2 RT 110 A2 6038360
1 Gabals
Vāks ar grozāmu aizbīdni A2 Vāks ar grozāmu aizbīdni A2 DRL 100 A2 6052878
3 m
Starpsiena 110 A2 Starpsiena 110 A2 TSG 110 A2 6062255
3 m
Lejupielādes

Lejupielāde

ES Atbilstības deklarācija MKSM 110 A2 / 6059190 , 0.12MB , pdf
Lejupielāde
Apvienotās Karalistes atbilstības deklarācija MKSM 110 A2 / 6059190 , 0.09MB , pdf
Produkta vides deklarācija (EPD) MKSM 110 A2 / 6059190 , 1.48MB , pdf
Lejupielāde

Lejupielāde
Lejupielāde

MKSM 110 A2 / 6059190
Lejupielāde