Kabeļu trepes LCIS 60, 3 m C30 FT

Preces Nr. 6209719 | EAN 4012197347918

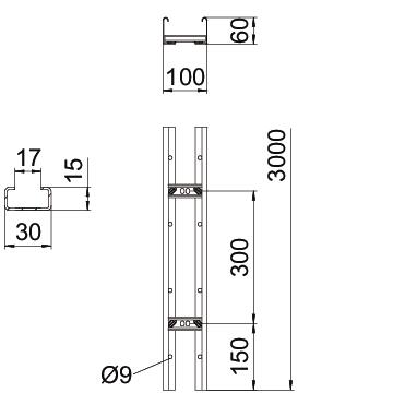
3000 mm
1,5 mm
Produkta apraksts
Produkta apraksts
Kabeļu trepes ar 60 mm augstām malām, iemetinātiem, augšup vērstiem C30 profila spraišļiem. Ieliekta sānu mala pastiprinājumam, kas kalpo arī kā malu aizsargs. Nostiprināšana uz balsteņa notiek ar LKS 40 tipa skavām. Spraugas izmērs spraišļiem ir 16,5 mm, atbilstošais piekarapskavas tips ir BS-H....
Magnētiskā ekranējuma efektivitāte bez vāka 10 dB, ar vāku 15 dB.
  • Eiropas Savienības, EG atbilstības deklarācija saskaņā ar EK direktīvām
  • UKCA atbilstības deklarācija
  • Kabeļu trepes, malas augstums 60 mm
  • Produkta vides deklarācija (EPD)
  • CO₂ pēdas nospiedums (PCF)
Tehniskie dati

Tehniskie dati

Attālums starp spraišļiem 300 mm
Augstums 60 mm
Balstu atstatums 1,5 m 2,8 kN/m
Balstu atstatums 2,0 m 1,3 kN/m
Balstu atstatums 2,5 m 0,8 kN/m
Balstu atstatums 3,0 m 0,6 kN/m
Balstu atstatums 3,5 m 0,4 kN/m
Balstu atstatums 4,0 m 0,25 kN/m
CO2 pēdas nospiedums (GWP) no šūpuļa līdz vārtiem 5,8902 kg CO2e / 1 Metrs
Derīgais šķērsgriezums 4000 mm²
Derīgais šķērsgriezums 40 cm²
Funkciju nodrošināšana
Gara laiduma izpildījums
Garums 3000 mm
Izmērs 60x100x3000
Izmērs B 100 mm
Krāsa cinks
Materiāls Tērauds
Metāla biezums 1,5 mm
Nerūsējošs tērauds, kodināts
Platums 100 mm
Sānu caurumi
Sānu malas konstrukcija plakans profils
Spraišļa stiprinājums metināts
Spraišļu izpildījums Caurumots profils
Virsma karsti cinkots
Visi tipi

Visi tipi

Tips Garums Platums Metāla biezums Funkciju nodrošināšana Preces Nr. Daudzums mazākā pārd. vien.
LCIS 610 3 FT 3000 mm 100 mm 1,5 mm 6209719
3 m
LCIS 620 3 FT 3000 mm 200 mm 1,5 mm 6209721
3 m
LCIS 630 3 FT 3000 mm 300 mm 1,5 mm 6209723
3 m
LCIS 640 3 FT 3000 mm 400 mm 1,5 mm 6209725
3 m
LCIS 650 3 FT 3000 mm 500 mm 1,5 mm 6209727
3 m
LCIS 660 3 FT 3000 mm 600 mm 1,5 mm 6209729
3 m
Piederumi

Sistēmas piederumi

Produkti Tips Preces Nr. Daudzums mazākā pārd. vien.
Vāks ar grozāmu aizbīdni FT Vāks ar grozāmu aizbīdni FT DRL 100 FT 6051340
3 m
Garenais savienotājs FT Garenais savienotājs FT LVG 60 FT 6208843
10 Gabals
Šarnīru savienojums FT Šarnīru savienojums FT LGVG 60 FT 6208944
10 Gabals
Elastīgais savienotājs Elastīgais savienotājs LDVG 60 FT 6208970
2 Gabals
Daudzfunkcionālais savienotājs FT Daudzfunkcionālais savienotājs FT LMFV 610 FT 6225727
1 Gabals
90° līkums 60 FT 90° līkums 60 FT LB 90 610 R3 FT 6225059
1 Gabals
Aizsargvāks 60 Aizsargvāks 60 SKH 60 OR 6222537
40 Pāris
Savienošanas detaļa FT Savienošanas detaļa FT LAS 60 FT 6221378
10 Gabals
Stūra plāksne DD Stūra plāksne DD LEB 25 DD 6221216
1 Gabals
Stūra plāksne DD Stūra plāksne DD LEB 50 DD 6221259
1 Gabals
Lejupielādes

Lejupielāde

ES Atbilstības deklarācija LCIS 610 3 FT / 6209719 , 0.12MB , pdf
Lejupielāde
Apvienotās Karalistes atbilstības deklarācija LCIS 610 3 FT / 6209719 , 0.09MB , pdf
Produkta vides deklarācija (EPD) LCIS 610 3 FT / 6209719 , 1.48MB , pdf
Lejupielāde

Lejupielāde
Lejupielāde

LCIS 610 3 FT / 6209719
Lejupielāde