Kabeļu trepes LCIS 60, 3 m C30 FT

Preces Nr. 6209725 | EAN 4012196431755

3000 mm
1,5 mm
Produkta apraksts
Produkta apraksts
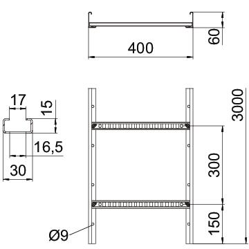
Kabeļu trepes ar 60 mm augstām malām, iemetinātiem, augšup vērstiem C30 profila spraišļiem. Ieliekta sānu mala pastiprinājumam, kas kalpo arī kā malu aizsargs. Nostiprināšana uz balsteņa notiek ar LKS 40 tipa skavām. Spraugas izmērs spraišļiem ir 16,5 mm, atbilstošais piekarapskavas tips ir BS-H....
Magnētiskā ekranējuma efektivitāte bez vāka 10 dB, ar vāku 15 dB.
  • Eiropas Savienības, EG atbilstības deklarācija saskaņā ar EK direktīvām
  • UKCA atbilstības deklarācija
  • Kabeļu trepes, malas augstums 60 mm
  • Produkta vides deklarācija (EPD)
  • CO₂ pēdas nospiedums (PCF)
Tehniskie dati

Tehniskie dati

Attālums starp spraišļiem 300 mm
Augstums 60 mm
Balstu atstatums 1,5 m 3,3 kN/m
Balstu atstatums 2,0 m 2 kN/m
Balstu atstatums 2,5 m 1,3 kN/m
Balstu atstatums 3,0 m 1 kN/m
Balstu atstatums 3,5 m 0,78 kN/m
Balstu atstatums 4,0 m 0,4 kN/m
Balstu atstatums 4,5 m 0,3 kN/m
Balstu atstatums 5,0 m 0,2 kN/m
CO2 pēdas nospiedums (GWP) no šūpuļa līdz vārtiem 7,4677 kg CO2e / 1 Metrs
Derīgais šķērsgriezums 16000 mm²
Derīgais šķērsgriezums 160 cm²
Funkciju nodrošināšana
Gara laiduma izpildījums
Garums 3000 mm
Izmērs 60x400x3000
Izmērs B 400 mm
Krāsa cinks
Materiāls Tērauds
Metāla biezums 1,5 mm
Nerūsējošs tērauds, kodināts
Platums 400 mm
Sānu caurumi
Sānu malas konstrukcija plakans profils
Spraišļa atveres izmērs 17,00
Spraišļa stiprinājums metināts
Spraišļu izpildījums Caurumots profils
Virsma karsti cinkots

Tehniskie dati

Slodzes diagramma, kabeļu trepes, tips LCIS 60

Slodzes diagramma, kabeļu trepes, tips LCIS 60
  • Pieļaujamais kabeļu renes/trepju noslogojums kN/m nereķinot slodzi instalācijas laikā Pieļaujamais kabeļu renes/trepju noslogojums kN/m nereķinot slodzi instalācijas laikā
  • Attālums starp balstiem, m Attālums starp balstiem, m
  • Profila izliece mm pie pieļaujamās slodzes kN/m Profila izliece mm pie pieļaujamās slodzes kN/m
  • Slodzes shēma pārbaudes laikā Slodzes shēma pārbaudes laikā
  • Slodzes līkne ar mm izteiktu kabeļu renes/trepju platumu Slodzes līkne ar mm izteiktu kabeļu renes/trepju platumu
  • Profila izlieces līkne atkarībā no balstu attāluma Profila izlieces līkne atkarībā no balstu attāluma
Visi tipi

Visi tipi

Tips Garums Platums Metāla biezums Funkciju nodrošināšana Preces Nr. Daudzums mazākā pārd. vien.
LCIS 610 3 FT 3000 mm 100 mm 1,5 mm 6209719
3 m
LCIS 620 3 FT 3000 mm 200 mm 1,5 mm 6209721
3 m
LCIS 630 3 FT 3000 mm 300 mm 1,5 mm 6209723
3 m
LCIS 640 3 FT 3000 mm 400 mm 1,5 mm 6209725
3 m
LCIS 650 3 FT 3000 mm 500 mm 1,5 mm 6209727
3 m
LCIS 660 3 FT 3000 mm 600 mm 1,5 mm 6209729
3 m
Piederumi

Sistēmas piederumi

Produkti Tips Preces Nr. Daudzums mazākā pārd. vien.
Vāks ar grozāmu aizbīdni FT Vāks ar grozāmu aizbīdni FT DRL 400 FT 6051413
3 m
Garenais savienotājs FT Garenais savienotājs FT LVG 60 FT 6208843
10 Gabals
Šarnīru savienojums FT Šarnīru savienojums FT LGVG 60 FT 6208944
10 Gabals
Elastīgais savienotājs Elastīgais savienotājs LDVG 60 FT 6208970
2 Gabals
Daudzfunkcionālais savienotājs FT Daudzfunkcionālais savienotājs FT LMFV 640 FT 6225734
1 Gabals
90° līkums 60 FT 90° līkums 60 FT LB 90 640 R3 FT 6225066
1 Gabals
T veida detaļa 60 FT T veida detaļa 60 FT LT 640 R3 FT 6225234
1 Gabals
Montāžas/atzarojuma detaļa 60 FT Montāžas/atzarojuma detaļa 60 FT LAA 640 R3 FT 6225874
1 Gabals
Šarnīra līkuma elements 60 FT Šarnīra līkuma elements 60 FT LGBE 640 FT 6225474
1 Gabals
Aizsargvāks 60 Aizsargvāks 60 SKH 60 OR 6222537
40 Pāris
Savienošanas detaļa FT Savienošanas detaļa FT LAS 60 FT 6221378
10 Gabals
Starpsiena 45 DD Starpsiena 45 DD TSG 45 DD 6062321
3 m
Stūra plāksne DD Stūra plāksne DD LEB 25 DD 6221216
1 Gabals
Stūra plāksne DD Stūra plāksne DD LEB 50 DD 6221259
1 Gabals
Ieliekama loksne DD Ieliekama loksne DD ELB-L 40 DD 6103360
3 m
Lejupielādes

Lejupielāde

ES Atbilstības deklarācija LCIS 640 3 FT / 6209725 , 0.12MB , pdf
Lejupielāde
Apvienotās Karalistes atbilstības deklarācija LCIS 640 3 FT / 6209725 , 0.09MB , pdf
Produkta vides deklarācija (EPD) LCIS 640 3 FT / 6209725 , 1.48MB , pdf
Lejupielāde

Lejupielāde
Lejupielāde

LCIS 640 3 FT / 6209725
Lejupielāde