Kabeļu trepes LG 110, 6 m VS FS

Preces Nr. 6216454 | EAN 4012195065340

6000 mm
1,5 mm
Tērauds
cinkots
Produkta apraksts
Produkta apraksts
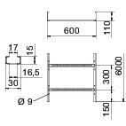
Kabeļu trepes ar perforētu profila malu un malas augstumu 110 mm, ar iekniedētiem, uz augšu atvērtiem C profila spraišļiem.
Magnētiskā ekranējuma efektivitāte bez vāka 10 dB, ar vāku 15 dB.

Kabeļu trepes piegādā salocītā stāvoklī.

Atbilstošo tipa 2056 piekarapskavu skatiet sadaļā par vertikālo kabeļu trepju sistēmām.

  • Magnētiskā ekranējuma efektivitāte
  • Eiropas Savienības, EG atbilstības deklarācija saskaņā ar EK direktīvām
  • UKCA atbilstības deklarācija
  • Kabeļu trepes, malas augstums 110 mm
  • Produkta vides deklarācija (EPD)
  • CO₂ pēdas nospiedums (PCF)
Tehniskie dati

Tehniskie dati

Attālums starp spraišļiem 300 mm
Augstums 110 mm
Balstu atstatums 2,0 m 3,1 kN/m
Balstu atstatums 2,5 m 2 kN/m
Balstu atstatums 3,0 m 1,4 kN/m
Balstu atstatums 3,5 m 0,9 kN/m
Balstu atstatums 4,0 m 0,65 kN/m
Balstu atstatums 4,5 m 0,55 kN/m
Balstu atstatums 5,0 m 0,5 kN/m
Balstu atstatums 6,0 m 0,15 kN/m
CO2 pēdas nospiedums (GWP) no šūpuļa līdz vārtiem 11,2828 kg CO2e / 1 Metrs
Derīgais šķērsgriezums 56800 mm²
Derīgais šķērsgriezums 568 cm²
Funkciju nodrošināšana
Gara laiduma izpildījums
Garums 6000 mm
Izmēri 110x600x6000
Izmērs 110x600x6000
Izmērs B 600 mm
Krāsa cinks
Materiāls Tērauds
Metāla biezums 1,5 mm
Nerūsējošs tērauds, kodināts
Platums 600 mm
Sānu caurumi
Sānu malas konstrukcija plakans profils
Spraišļa atveres izmērs 16,50
Spraišļa stiprinājums kniedēts no vienas puses
Spraišļu izpildījums Caurumots profils
Virsma cinkots

Tehniskie dati

LG 110 VS tipa kabeļu trepju slodzes diagramma

LG 110 VS tipa kabeļu trepju slodzes diagramma
  • Pieļaujamais kabeļu renes/trepju noslogojums kN/m nereķinot slodzi instalācijas laikā Pieļaujamais kabeļu renes/trepju noslogojums kN/m nereķinot slodzi instalācijas laikā
  • Attālums starp balstiem, m Attālums starp balstiem, m
  • Profila izliece mm pie pieļaujamās slodzes kN/m Profila izliece mm pie pieļaujamās slodzes kN/m
  • Slodzes shēma pārbaudes laikā Slodzes shēma pārbaudes laikā
  • Slodzes līkne ar mm izteiktu kabeļu renes/trepju platumu Slodzes līkne ar mm izteiktu kabeļu renes/trepju platumu
  • Profila izlieces līkne atkarībā no balstu attāluma Profila izlieces līkne atkarībā no balstu attāluma
Visi tipi

Visi tipi

Tips Garums Platums Metāla biezums Funkciju nodrošināšana Materiāls Virsma Preces Nr. Daudzums mazākā pārd. vien.
LG 112 VS 6 FS 6000 mm 200 mm 1,5 mm Tērauds cinkots 6216442
6 m
LG 113 VS 6 FS 6000 mm 300 mm 1,5 mm Tērauds cinkots 6216445
6 m
LG 114 VS 6 FS 6000 mm 400 mm 1,5 mm Tērauds cinkots 6216448
6 m
LG 115 VS 6 FS 6000 mm 500 mm 1,5 mm Tērauds cinkots 6216451
6 m
LG 116 VS 6 FS 6000 mm 600 mm 1,5 mm Tērauds cinkots 6216454
6 m
Piederumi

Sistēmas piederumi

Produkti Tips Preces Nr. Daudzums mazākā pārd. vien.
Vāks ar grozāmu aizbīdni FS Vāks ar grozāmu aizbīdni FS DRL 600 FS 6052606
3 m
Garenais savienotājs FS Garenais savienotājs FS LVG 110 FS 6216545
10 Gabals
Leņķa savienotājs 110 FS Leņķa savienotājs 110 FS LWVG 110 FS 6216587
10 Gabals
Šarnīrsavienojums FS Šarnīrsavienojums FS LGVG 110 FS 6216650
10 Gabals
Daudzfunkcionālais savienotājs FS Daudzfunkcionālais savienotājs FS LMFV 1160 FS 6225758
1 Gabals
90° līkums 110 FS 90° līkums 110 FS LB 90 1160 R3 FS 6225130
1 Gabals
T veida detaļa 110 FS T veida detaļa 110 FS LT 1160 R3 FS 6225298
1 Gabals
Montāžas/atzarojuma detaļa 110 FS Montāžas/atzarojuma detaļa 110 FS LAA 1160 R3 FS 6225918
1 Gabals
Šarnīra līkuma elements 110 FS Šarnīra līkuma elements 110 FS LGBE 1160 FS 6225498
1 Gabals
Aizsargvāciņš Aizsargvāciņš SKH 110 OR 6222553
20 Pāris
Savienošanas detaļa FS Savienošanas detaļa FS LAS 110 FS 6221416
10 Gabals
Starpsiena 85 FS Starpsiena 85 FS TSG 85 FS 6062114
3 m
Stūra plāksne FS Stūra plāksne FS LEB 25 FS 6221203
1 Gabals
Stūra plāksne FS Stūra plāksne FS LEB 50 FS 6221246
1 Gabals
Lejupielādes

Lejupielāde

ES Atbilstības deklarācija LG 116 VS 6 FS / 6216454 , 0.12MB , pdf
Lejupielāde
Apvienotās Karalistes atbilstības deklarācija LG 116 VS 6 FS / 6216454 , 0.09MB , pdf
Produkta vides deklarācija (EPD) LG 116 VS 6 FS / 6216454 , 1.48MB , pdf
Lejupielāde

Lejupielāde
Lejupielāde

LG 116 VS 6 FS / 6216454
Lejupielāde