Kabeļu trepes LG 110, 6 m VS FT

Preces Nr. 6216474 | EAN 4012195065401

6000 mm
1,5 mm
Tērauds
karsti cinkots
Produkta apraksts
Produkta apraksts
Kabeļu trepes ar perforētu profila malu un malas augstumu 110 mm, ar iekniedētiem, uz augšu atvērtiem C profila spraišļiem.
Magnētiskā ekranējuma efektivitāte bez vāka 10 dB, ar vāku 15 dB.

Kabeļu trepes piegādā salocītā stāvoklī.

Atbilstošo tipa 2056 piekarapskavu skatiet sadaļā par vertikālo kabeļu trepju sistēmām.

  • Magnētiskā ekranējuma efektivitāte
  • Eiropas Savienības, EG atbilstības deklarācija saskaņā ar EK direktīvām
  • UKCA atbilstības deklarācija
  • Kabeļu trepes, malas augstums 110 mm
  • Produkta vides deklarācija (EPD)
  • CO₂ pēdas nospiedums (PCF)
Tehniskie dati

Tehniskie dati

Attālums starp spraišļiem 300 mm
Augstums 110 mm
Balstu atstatums 2,0 m 3,1 kN/m
Balstu atstatums 2,5 m 2 kN/m
Balstu atstatums 3,0 m 1,4 kN/m
Balstu atstatums 3,5 m 0,9 kN/m
Balstu atstatums 4,0 m 0,65 kN/m
Balstu atstatums 4,5 m 0,55 kN/m
Balstu atstatums 5,0 m 0,5 kN/m
Balstu atstatums 6,0 m 0,15 kN/m
CO2 pēdas nospiedums (GWP) no šūpuļa līdz vārtiem 10,4488 kg CO2e / 1 Metrs
Derīgais šķērsgriezums 47500 mm²
Derīgais šķērsgriezums 475 cm²
Funkciju nodrošināšana
Gara laiduma izpildījums
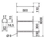
Garums 6000 mm
Izmēri 110x500x6000
Izmērs 110x500x6000
Izmērs B 500 mm
Krāsa cinks
Materiāls Tērauds
Metāla biezums 1,5 mm
Nerūsējošs tērauds, kodināts
Platums 500 mm
Sānu caurumi
Sānu malas konstrukcija plakans profils
Spraišļa atveres izmērs 16,50
Spraišļa stiprinājums kniedēts no vienas puses
Spraišļu izpildījums Caurumots profils
Virsma karsti cinkots

Tehniskie dati

LG 110 VS tipa kabeļu trepju slodzes diagramma

LG 110 VS tipa kabeļu trepju slodzes diagramma
  • Pieļaujamais kabeļu renes/trepju noslogojums kN/m nereķinot slodzi instalācijas laikā Pieļaujamais kabeļu renes/trepju noslogojums kN/m nereķinot slodzi instalācijas laikā
  • Attālums starp balstiem, m Attālums starp balstiem, m
  • Profila izliece mm pie pieļaujamās slodzes kN/m Profila izliece mm pie pieļaujamās slodzes kN/m
  • Slodzes shēma pārbaudes laikā Slodzes shēma pārbaudes laikā
  • Slodzes līkne ar mm izteiktu kabeļu renes/trepju platumu Slodzes līkne ar mm izteiktu kabeļu renes/trepju platumu
  • Profila izlieces līkne atkarībā no balstu attāluma Profila izlieces līkne atkarībā no balstu attāluma
Visi tipi

Visi tipi

Tips Garums Platums Metāla biezums Funkciju nodrošināšana Materiāls Virsma Preces Nr. Daudzums mazākā pārd. vien.
LG 112 VS 6 FT 6000 mm 200 mm 1,5 mm Tērauds karsti cinkots 6216465
6 m
LG 113 VS 6 FT 6000 mm 300 mm 1,5 mm Tērauds karsti cinkots 6216468
6 m
LG 114 VS 6 FT 6000 mm 400 mm 1,5 mm Tērauds karsti cinkots 6216471
6 m
LG 115 VS 6 FT 6000 mm 500 mm 1,5 mm Tērauds karsti cinkots 6216474
6 m
LG 116 VS 6 FT 6000 mm 600 mm 1,5 mm Tērauds karsti cinkots 6216477
6 m
Piederumi

Sistēmas piederumi

Produkti Tips Preces Nr. Daudzums mazākā pārd. vien.
Vāks ar grozāmu aizbīdni FT Vāks ar grozāmu aizbīdni FT DRL 500 FT 6051448
3 m
Garenais savienotājs FT Garenais savienotājs FT LVG 110 FT 6216548
10 Gabals
Šarnīru savienojums FT Šarnīru savienojums FT LGVG 110 FT 6216653
10 Gabals
Elastīgais savienotājs 110 FT Elastīgais savienotājs 110 FT LDVG 110 FT 6216670
2 Gabals
Daudzfunkcionālais savienotājs FT Daudzfunkcionālais savienotājs FT LMFV 1150 FT 6225778
1 Gabals
90° līkums 110 FT 90° līkums 110 FT LB 90 1150 R3 FT 6225150
1 Gabals
T veida detaļa 110 FT T veida detaļa 110 FT LT 1150 R3 FT 6225318
1 Gabals
Montāžas/atzarojuma detaļa 110 FT Montāžas/atzarojuma detaļa 110 FT LAA 1150 R3 FT 6225938
1 Gabals
Šarnīra līkuma elements 110 FT Šarnīra līkuma elements 110 FT LGBE 1150 FT 6225518
1 Gabals
Aizsargvāciņš Aizsargvāciņš SKH 110 OR 6222553
20 Pāris
Savienošanas detaļa FT Savienošanas detaļa FT LAS 110 FT 6221424
10 Gabals
Starpsiena 85 DD Starpsiena 85 DD TSG 85 DD 6062331
3 m
Stūra plāksne DD Stūra plāksne DD LEB 25 DD 6221216
1 Gabals
Stūra plāksne DD Stūra plāksne DD LEB 50 DD 6221259
1 Gabals
Ieliekama loksne DD Ieliekama loksne DD ELB-L 50 DD 6103364
3 m
Lejupielādes

Lejupielāde

ES Atbilstības deklarācija LG 115 VS 6 FT / 6216474 , 0.12MB , pdf
Lejupielāde
Apvienotās Karalistes atbilstības deklarācija LG 115 VS 6 FT / 6216474 , 0.09MB , pdf
Produkta vides deklarācija (EPD) LG 115 VS 6 FT / 6216474 , 1.48MB , pdf
Lejupielāde

Lejupielāde
Lejupielāde

LG 115 VS 6 FT / 6216474
Lejupielāde