Kabeļu trepes LG 60, 6 m VS A4

Preces Nr. 6101232 | EAN 4012196524952

6000 mm
1,5 mm
Nerūsējošais tērauds 1.4571
neizolēts, apstrādāts
Produkta apraksts
Produkta apraksts
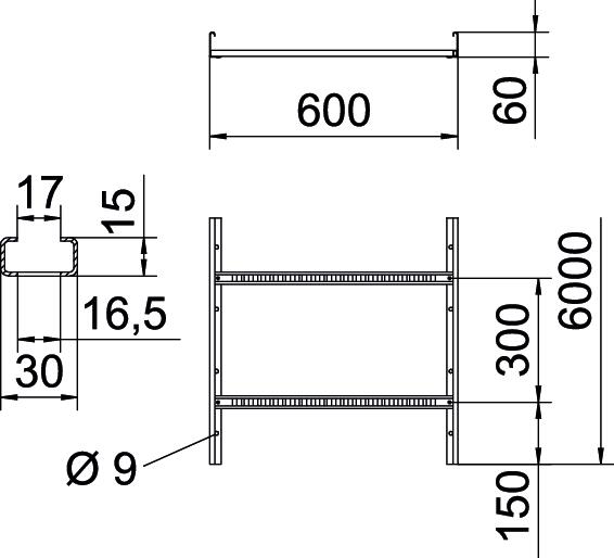
Kabeļu trepes ar perforētu profila malu un malas augstumu 60 mm, ar iekniedētiem, uz augšu atvērtiem C profila spraišļiem (VS izpildījums).
Magnētiskā ekranējuma efektivitāte bez vāka 10 dB, ar vāku 15 dB.

Kabeļu trepes piegādā salocītā stāvoklī.

Atbilstošo tipa BS-H... piekarapskavu skatiet sadaļā par vertikālo kabeļu trepju sistēmām.

  • Magnētiskā ekranējuma efektivitāte
  • Eiropas Savienības, EG atbilstības deklarācija saskaņā ar EK direktīvām
  • UKCA atbilstības deklarācija
  • Kabeļu trepes, malas augstums 60 mm
  • Produkta vides deklarācija (EPD)
  • CO₂ pēdas nospiedums (PCF)
Tehniskie dati

Tehniskie dati

Attālums starp spraišļiem 300 mm
Augstums 60 mm
Balstu atstatums 1,5 m 3,1 kN/m
Balstu atstatums 2,0 m 2,25 kN/m
Balstu atstatums 2,5 m 1,5 kN/m
Balstu atstatums 3,0 m 1,1 kN/m
Balstu atstatums 3,5 m 0,75 kN/m
Balstu atstatums 4,0 m 0,45 kN/m
Balstu atstatums 4,5 m 0,3 kN/m
Balstu atstatums 5,0 m 0,15 kN/m
CO2 pēdas nospiedums (GWP) no šūpuļa līdz vārtiem 18,4526 kg CO2e / 1 Metrs
Derīgais šķērsgriezums 29800 mm²
Derīgais šķērsgriezums 298 cm²
Funkciju nodrošināšana
Gara laiduma izpildījums
Garums 6000 mm
Izmēri 60x600x6000
Izmērs 60x600x6000
Izmērs B 600 mm
Krāsa tērauda
Materiāls Nerūsējošais tērauds 1.4571
Metāla biezums 1,5 mm
Nerūsējošs tērauds, kodināts
Platums 600 mm
Sānu caurumi
Sānu malas konstrukcija plakans profils
Spraišļa atveres izmērs 17,00
Spraišļa stiprinājums kniedēts no vienas puses
Spraišļu izpildījums Caurumots profils
Virsma neizolēts, apstrādāts

Tehniskie dati

LG 60 VS tipa kabeļu trepju slodzes diagramma

LG 60 VS tipa kabeļu trepju slodzes diagramma
  • Pieļaujamais kabeļu renes/trepju noslogojums kN/m nereķinot slodzi instalācijas laikā Pieļaujamais kabeļu renes/trepju noslogojums kN/m nereķinot slodzi instalācijas laikā
  • Attālums starp balstiem, m Attālums starp balstiem, m
  • Profila izliece mm pie pieļaujamās slodzes kN/m Profila izliece mm pie pieļaujamās slodzes kN/m
  • Slodzes shēma pārbaudes laikā Slodzes shēma pārbaudes laikā
  • Slodzes līkne ar mm izteiktu kabeļu renes/trepju platumu Slodzes līkne ar mm izteiktu kabeļu renes/trepju platumu
  • Profila izlieces līkne atkarībā no balstu attāluma Profila izlieces līkne atkarībā no balstu attāluma
Visi tipi

Visi tipi

Tips Garums Platums Metāla biezums Funkciju nodrošināšana Materiāls Virsma Preces Nr. Daudzums mazākā pārd. vien.
LG 620 VS6 A4 6000 mm 200 mm 1,5 mm Nerūsējošais tērauds 1.4571 neizolēts, apstrādāts 6101200
6 m
LG 630 VS6 A4 6000 mm 300 mm 1,5 mm Nerūsējošais tērauds 1.4571 neizolēts, apstrādāts 6101208
6 m
LG 640 VS6 A4 6000 mm 400 mm 1,5 mm Nerūsējošais tērauds 1.4571 neizolēts, apstrādāts 6101216
6 m
LG 650 VS6 A4 6000 mm 500 mm 1,5 mm Nerūsējošais tērauds 1.4571 neizolēts, apstrādāts 6101223
6 m
LG 660 VS6 A4 6000 mm 600 mm 1,5 mm Nerūsējošais tērauds 1.4571 neizolēts, apstrādāts 6101232
6 m
Piederumi

Sistēmas piederumi

Produkti Tips Preces Nr. Daudzums mazākā pārd. vien.
Vāks ar griežamu sviru A4 Vāks ar griežamu sviru A4 DRL 600 A4 6052986
3 m
Garenais savienotājs A4 Garenais savienotājs A4 LVG 60 A4 6208835
10 Gabals
Leņķa savienotājs 60 A4 Leņķa savienotājs 60 A4 LWVG 60 A4 6208891
10 Gabals
Šarnīru savienojums A4 Šarnīru savienojums A4 LGVG 60 A4 6208932
10 Gabals
90° līkums 60 A4 90° līkums 60 A4 LB 90 660 R3 A4 6225110
1 Gabals
T veida detaļa 60 A4 T veida detaļa 60 A4 LT 660 R3 A4 6225278
1 Gabals
Aizsargvāks 60 Aizsargvāks 60 SKH 60 OR 6222537
40 Pāris
Starpsiena 45 A4 Starpsiena 45 A4 TSG 45 A4 6062028
3 m
Lejupielādes

Lejupielāde

ES Atbilstības deklarācija LG 660 VS6 A4 / 6101232 , 0.12MB , pdf
Lejupielāde
Apvienotās Karalistes atbilstības deklarācija LG 660 VS6 A4 / 6101232 , 0.09MB , pdf
Produkta vides deklarācija (EPD) LG 660 VS6 A4 / 6101232 , 1.48MB , pdf
Lejupielāde

Lejupielāde
Lejupielāde

LG 660 VS6 A4 / 6101232
Lejupielāde