Kabeļu trepes LG 60, 6 m VS FS

Preces Nr. 6208639 | EAN 4012195064312

6000 mm
1,5 mm
Tērauds
cinkots
Produkta apraksts
Produkta apraksts
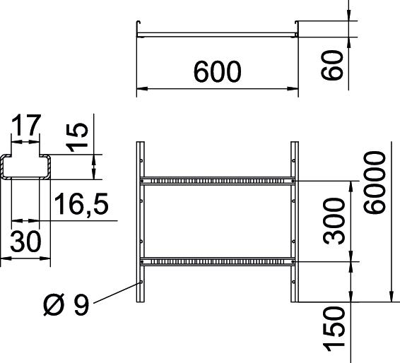
Kabeļu trepes ar perforētu profila malu un malas augstumu 60 mm, ar iekniedētiem, uz augšu atvērtiem C profila spraišļiem (VS izpildījums).
Magnētiskā ekranējuma efektivitāte bez vāka 10 dB, ar vāku 15 dB.

Kabeļu trepes piegādā salocītā stāvoklī.

Kabeļus var montēt ar atbilstošu tipa 2056 kabeļu apskavu.

Kabeļu trepes, kuru platums ir no 200 mm līdz 400 mm, drīkst izmantot arī vertikālai montāžai kā vertikālas kabeļu trepes iekārtās, kuru elektriskās funkcijas jānodrošina saskaņā ar DIN 4102 12. daļu. Kabeļus var montēt ar tipa 2056 kabeļu apskavu, kuru atļauts izmantot funkciju nodrošināšanai.

  • Magnētiskā ekranējuma efektivitāte
  • Eiropas Savienības, EG atbilstības deklarācija saskaņā ar EK direktīvām
  • UKCA atbilstības deklarācija
  • Produkta vides deklarācija (EPD)
  • CO₂ pēdas nospiedums (PCF)
Tehniskie dati

Tehniskie dati

Attālums starp spraišļiem 300 mm
Augstums 60 mm
Balstu atstatums 1,5 m 3,1 kN/m
Balstu atstatums 2,0 m 2,25 kN/m
Balstu atstatums 2,5 m 1,5 kN/m
Balstu atstatums 3,0 m 1,1 kN/m
Balstu atstatums 3,5 m 0,75 kN/m
Balstu atstatums 4,0 m 0,45 kN/m
Balstu atstatums 4,5 m 0,3 kN/m
Balstu atstatums 5,0 m 0,15 kN/m
CO2 pēdas nospiedums (GWP) no šūpuļa līdz vārtiem 8,6386 kg CO2e / 1 Metrs
Derīgais šķērsgriezums 29800 mm²
Derīgais šķērsgriezums 298 cm²
Funkciju nodrošināšana
Gara laiduma izpildījums
Garums 6000 mm
Izmēri 60x600x6000
Izmērs 60x600x6000
Izmērs B 600 mm
Krāsa cinks
Materiāls Tērauds
Metāla biezums 1,5 mm
Nerūsējošs tērauds, kodināts
Platums 600 mm
Sānu caurumi
Sānu malas konstrukcija plakans profils
Spraišļa atveres izmērs 16,50
Spraišļa stiprinājums kniedēts no vienas puses
Spraišļu izpildījums Caurumots profils
Virsma cinkots

Tehniskie dati

LG 60 VS tipa kabeļu trepju slodzes diagramma

LG 60 VS tipa kabeļu trepju slodzes diagramma
  • Pieļaujamais kabeļu renes/trepju noslogojums kN/m nereķinot slodzi instalācijas laikā Pieļaujamais kabeļu renes/trepju noslogojums kN/m nereķinot slodzi instalācijas laikā
  • Attālums starp balstiem, m Attālums starp balstiem, m
  • Profila izliece mm pie pieļaujamās slodzes kN/m Profila izliece mm pie pieļaujamās slodzes kN/m
  • Slodzes shēma pārbaudes laikā Slodzes shēma pārbaudes laikā
  • Slodzes līkne ar mm izteiktu kabeļu renes/trepju platumu Slodzes līkne ar mm izteiktu kabeļu renes/trepju platumu
  • Profila izlieces līkne atkarībā no balstu attāluma Profila izlieces līkne atkarībā no balstu attāluma
Visi tipi

Visi tipi

Tips Garums Platums Metāla biezums Funkciju nodrošināšana Materiāls Virsma Preces Nr. Daudzums mazākā pārd. vien.
LG 620 VS 6 FS 6000 mm 200 mm 1,5 mm Tērauds cinkots 6208627
6 m
LG 630 VS 6 FS 6000 mm 300 mm 1,5 mm Tērauds cinkots 6208630
6 m
LG 640 VS 6 FS 6000 mm 400 mm 1,5 mm Tērauds cinkots 6208633
6 m
LG 650 VS 6 FS 6000 mm 500 mm 1,5 mm Tērauds cinkots 6208636
6 m
LG 660 VS 6 FS 6000 mm 600 mm 1,5 mm Tērauds cinkots 6208639
6 m
Piederumi

Sistēmas piederumi

Produkti Tips Preces Nr. Daudzums mazākā pārd. vien.
Vāks ar grozāmu aizbīdni FS Vāks ar grozāmu aizbīdni FS DRL 600 FS 6052606
3 m
Garenais savienotājs FS Garenais savienotājs FS LVG 60 FS 6208840
10 Gabals
Leņķa savienotājs 60 FS Leņķa savienotājs 60 FS LWVG 60 FS 6208895
10 Gabals
Šarnīrsavienojums FS Šarnīrsavienojums FS LGVG 60 FS 6208941
10 Gabals
Daudzfunkcionālais savienotājs FS Daudzfunkcionālais savienotājs FS LMFV 660 FS 6225718
1 Gabals
90° līkums 60 FS 90° līkums 60 FS LB 90 660 R3 FS 6225050
1 Gabals
T veida detaļa 60 FS T veida detaļa 60 FS LT 660 R3 FS 6225218
1 Gabals
Montāžas/atzarojuma detaļa 60 FS Montāžas/atzarojuma detaļa 60 FS LAA 660 R3 FS 6225858
1 Gabals
Šarnīra līkuma elements 60 FS Šarnīra līkuma elements 60 FS LGBE 660 FS 6225458
1 Gabals
Aizsargvāks 60 Aizsargvāks 60 SKH 60 OR 6222537
40 Pāris
Savienošanas detaļa FS Savienošanas detaļa FS LAS 60 FS 6221351
10 Gabals
Starpsiena 45 FS Starpsiena 45 FS TSG 45 FS 6062033
3 m
Stūra plāksne FS Stūra plāksne FS LEB 25 FS 6221203
1 Gabals
Stūra plāksne FS Stūra plāksne FS LEB 50 FS 6221246
1 Gabals
Lejupielādes

Lejupielāde

ES Atbilstības deklarācija LG 660 VS 6 FS / 6208639 , 0.12MB , pdf
Lejupielāde
Apvienotās Karalistes atbilstības deklarācija LG 660 VS 6 FS / 6208639 , 0.09MB , pdf
Produkta vides deklarācija (EPD) LG 660 VS 6 FS / 6208639 , 1.48MB , pdf
Lejupielāde

Lejupielāde
Lejupielāde

LG 660 VS 6 FS / 6208639
Lejupielāde