Kabeļu rene RKS-Magic® 60 FS

Preces Nr. 6047654 | EAN 4012195391210

3050 mm
60 mm
cinks
Tērauds
cinkots
Produkta apraksts
Produkta apraksts
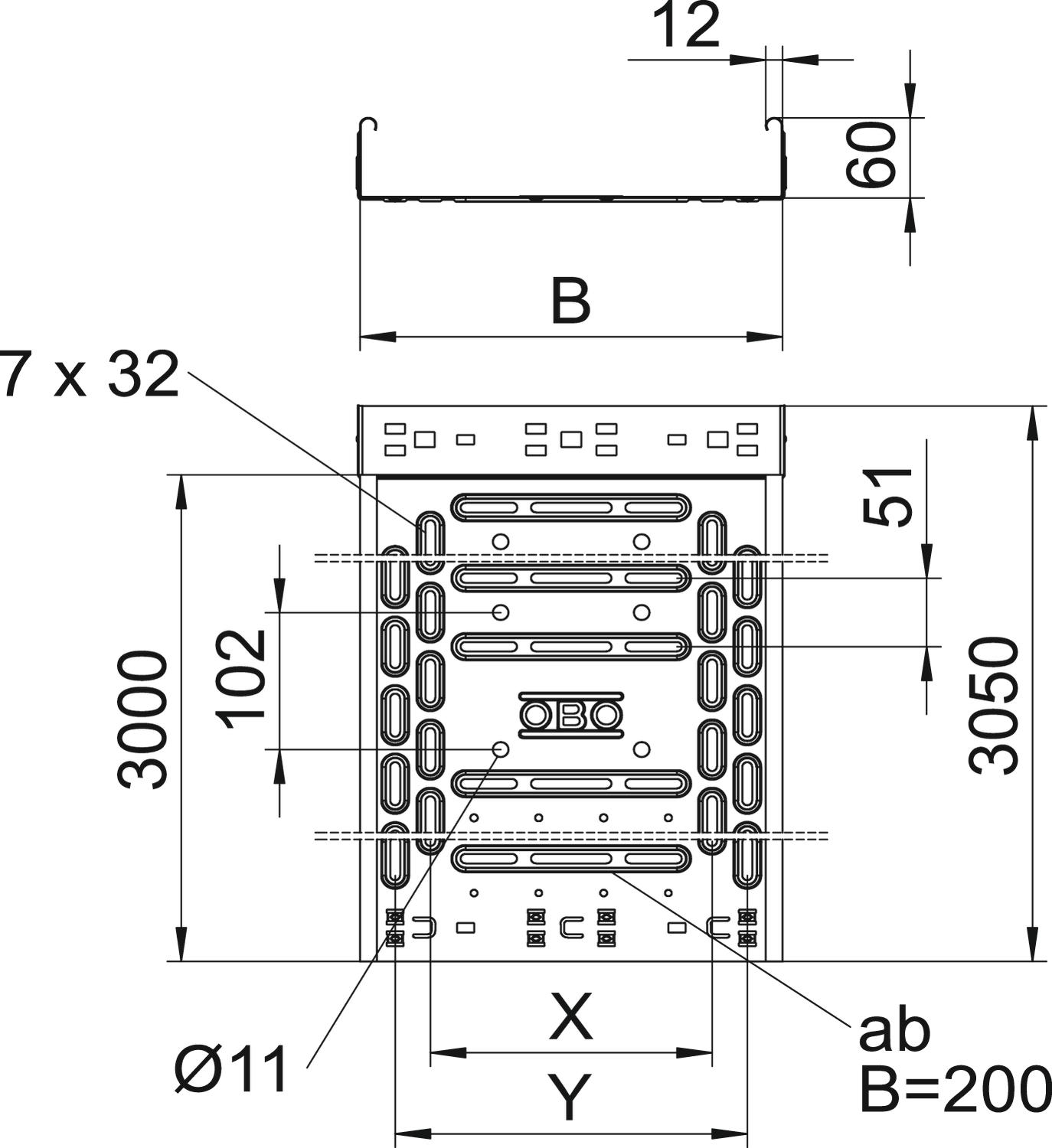
Kabeļu rene ar iebūvētu ātrās stiprināšanas sistēmu Kabeļu renes lietderīgais garums ir 3000 mm.

Kabeļu renes malās visā garumā ir 7 x 20 mm perforējums papildu savienošanas un montāžas elementu instalācijai.

Tiešai vītņstieņu piekarei paredzēto caurumu diametrs ir 11 mm.
Magnētiskā ekranējuma efektivitāte bez vāka 20 dB, ar vāku 50 dB.

Potenciālu izlīdzināšana visā garumā ir nodrošināta bez papildu būvdetaļām.

  • Elektrotehnikas, elektronikas un informācijas tehnoloģiju apvienība, Vācija
  • Underwriters Laboratories Inc., USA & Kanada
  • Eiropas Savienības, EG atbilstības deklarācija saskaņā ar EK direktīvām
  • UKCA atbilstības deklarācija
  • Funkciju nodrošināšanas klase E30
  • Funkciju nodrošināšanas klase E60
  • Funkciju nodrošināšanas klase E90
  • Produkta vides deklarācija (EPD)
  • CO₂ pēdas nospiedums (PCF)
Tehniskie dati

Tehniskie dati

Ar augšējo daļu
Augstums 2 in
Augstums 60 mm
Balstu atstatums 1,0 m 1,2 kN/m
Balstu atstatums 1,5 m 1 kN/m
Balstu atstatums 2,0 m 0,55 kN/m
Balstu atstatums 2,5 m 0,4 kN/m
CO2 pēdas nospiedums (GWP) no šūpuļa līdz vārtiem 5,7675 kg CO2e / 1 Metrs
Derīgais šķērsgriezums 17800 mm²
Derīgais šķērsgriezums 178 cm²
Funkciju nodrošināšana
Gara laiduma izpildījums
Garums 10 ft
Garums 3050 mm
Grīdā izveidotas atveres montāžas vajadzībām
Izmērs 60x300x3050
Izmērs B 300 mm
Izmērs t 100 mm
Izmērs x 200 mm
Izmērs y 250 mm
Kabeļu nesošās sistēmas savienotāju veids Automātiskas fiksācijas stiprinājums
Krāsa cinks
Lietderīgais garums 3000 mm
Loksnes biezums 0,75 mm
Loksnes biezums 0,03 in
Magnētiskā ekranējuma efektivitāte ar vāku 50 dB
Magnētiskā ekranējuma efektivitāte bez vāka 20 dB
Materiāls Tērauds
NATO perforācijas šablons
NEMA slodzes klase 8AA
Nerūsējošs tērauds, kodināts
Noslogošanas testa tips saskaņā ar IEC 61537 II tips
Perforēta pamatne 1
Platums 300 mm
Platums 12 in
Sānu caurumi
Savienotāja izpildījums iebūvēts savienotājs
Ugunsdrošība Funkciju nodrošinājums – specifiskas kabeļu nesošās konstrukcijas, Izmantošana ugunsdrošības segās
Virsma cinkots

Tehniskie dati

RKSM 60 tipa kabeļu renes slodzes diagramma

RKSM 60 tipa kabeļu renes slodzes diagramma
  • Pieļaujamais kabeļu renes/trepju noslogojums kN/m nereķinot slodzi instalācijas laikā Pieļaujamais kabeļu renes/trepju noslogojums kN/m nereķinot slodzi instalācijas laikā
  • Attālums starp balstiem, m Attālums starp balstiem, m
  • Profila izliece mm pie pieļaujamās slodzes kN/m Profila izliece mm pie pieļaujamās slodzes kN/m
  • Slodzes shēma pārbaudes laikā Slodzes shēma pārbaudes laikā
  • Slodzes līkne ar mm izteiktu kabeļu renes/trepju platumu Slodzes līkne ar mm izteiktu kabeļu renes/trepju platumu
  • Profila izlieces līkne atkarībā no balstu attāluma Profila izlieces līkne atkarībā no balstu attāluma
Visi tipi

Visi tipi

Tips Garums Platums Augstums Loksnes biezums Funkciju nodrošināšana Krāsa Materiāls Virsma Preces Nr. Daudzums mazākā pārd. vien.
RKSM 610 FS 3050 mm 100 mm 60 mm 0,75 mm cinks Tērauds cinkots 6047611
3 m
RKSM 615 FS 3050 mm 150 mm 60 mm 0,75 mm cinks Tērauds cinkots 6047630
3 m
RKSM 620 FS 3050 mm 200 mm 60 mm 0,75 mm cinks Tērauds cinkots 6047638
3 m
RKSM 630 FS 3050 mm 300 mm 60 mm 0,75 mm cinks Tērauds cinkots 6047654
3 m
RKSM 640 FS 3050 mm 400 mm 60 mm 0,9 mm cinks Tērauds cinkots 6047689
3 m
RKSM 650 FS 3050 mm 500 mm 60 mm 0,9 mm cinks Tērauds cinkots 6047719
3 m
RKSM 660 FS 3050 mm 600 mm 60 mm 0,9 mm cinks Tērauds cinkots 6047735
3 m
Piederumi

Sistēmas piederumi

Produkti Tips Preces Nr. Daudzums mazākā pārd. vien.
Gareno savienotāju komplekts Magic FS Gareno savienotāju komplekts Magic FS KTSMV 630 FS 6068920
1 Gabals
45° līkums 60 FS 45° līkums 60 FS RB 45 630 FS 6036106
1 Gabals
90° līkums 60 FS 90° līkums 60 FS RB 90 630 FS 6036566
1 Gabals
Līkums, regulējams leņķis 60 FS Līkums, regulējams leņķis 60 FS RB W 630 FS 6037106
1 Gabals
Montāžas/atzarojuma detaļa 60 FS Montāžas/atzarojuma detaļa 60 FS RAA 630 FS 6042117
1 Gabals
T veida detaļa 60 FS T veida detaļa 60 FS RT 630 FS 6038106
1 Gabals
X-elements 60 FS X-elements 60 FS RK 630 FS 7027315
1 Gabals
Vāks ar grozāmu aizbīdni FS Vāks ar grozāmu aizbīdni FS DRL 300 FS 6052304
3 m
Starpsiena 60 FS Starpsiena 60 FS TSG 60 FS 6062068
3 m
Lejupielādes

Lejupielāde

ES Atbilstības deklarācija RKSM 630 FS / 6047654 , 0.12MB , pdf
Lejupielāde
Apvienotās Karalistes atbilstības deklarācija RKSM 630 FS / 6047654 , 0.09MB , pdf
Produkta vides deklarācija (EPD) RKSM 630 FS / 6047654 , 1.48MB , pdf
Lejupielāde

Lejupielāde
Lejupielāde

RKSM 630 FS / 6047654
Lejupielāde